EasyManua.ls Logo

Kinco CD420 - 3.1.2 Wiring Diagram of CD2 Driver

Kinco CD420
133 pages
Print Icon
To Next Page IconTo Next Page
To Next Page IconTo Next Page
To Previous Page IconTo Previous Page
To Previous Page IconTo Previous Page
Loading...
15
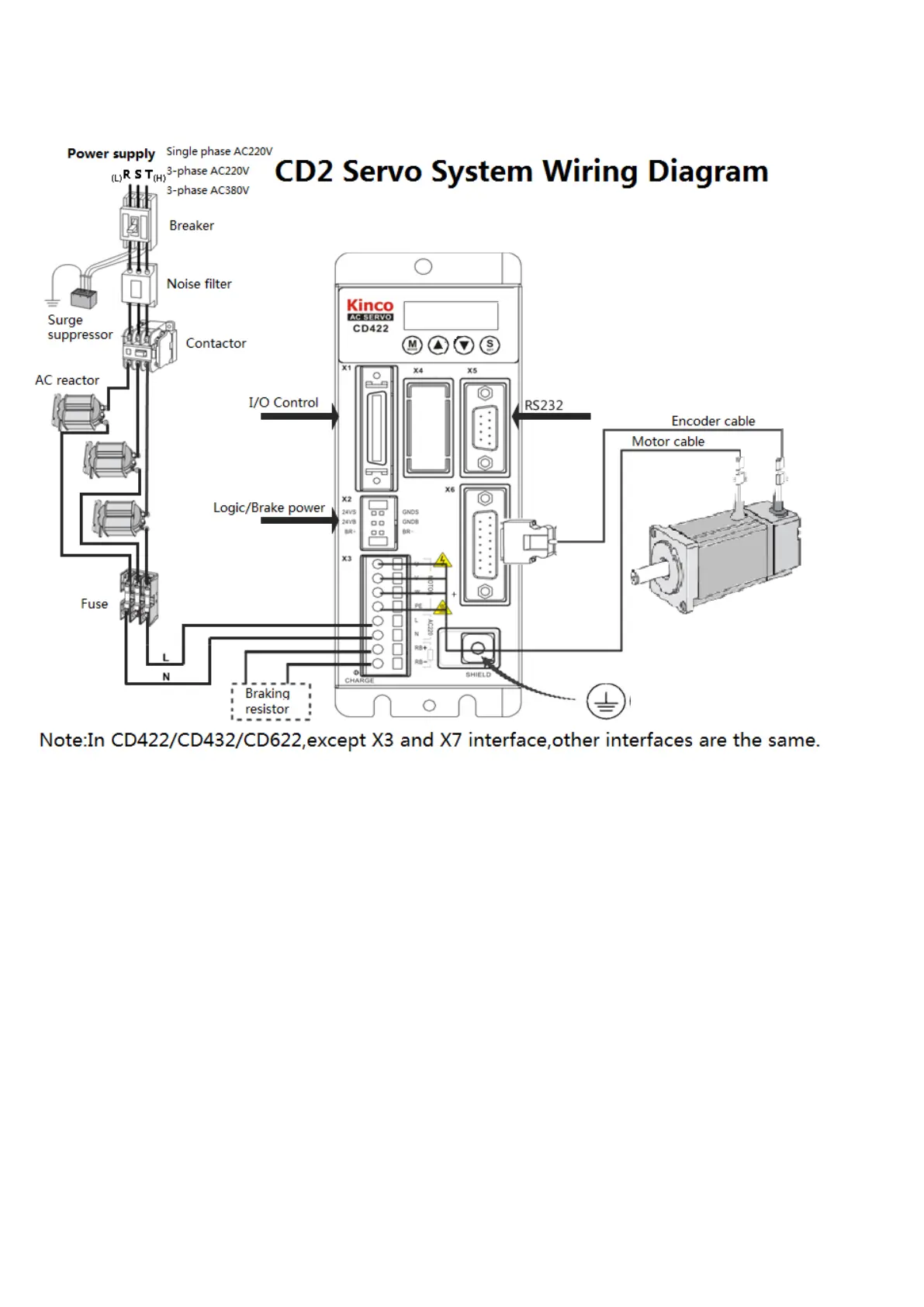
3.1.2 Wiring Diagram of CD2 Driver
Fig.3-1 Wiring diagram of CD2 driver

Table of Contents

Other manuals for Kinco CD420

Related product manuals