EasyManua.ls Logo

Kirsch MED-288 - Circuit Diagram; System Connections Overview; Wire Color Identification

Kirsch MED-288
12 pages
Print Icon
To Next Page IconTo Next Page
To Next Page IconTo Next Page
To Previous Page IconTo Previous Page
To Previous Page IconTo Previous Page
Loading...
9/12
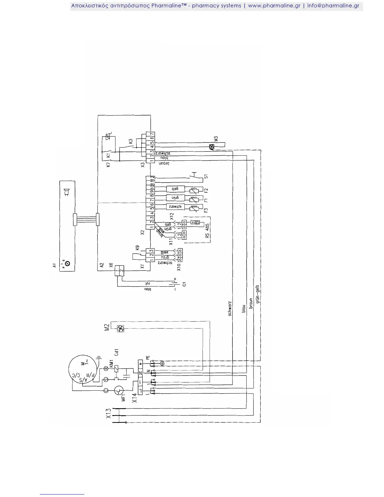
Circuit diagram 226-066
X1 = Connection for remote warning contact
X2 = Connection for sensor, door contact and interface
X3 = Connection for mains, compressor,
X6 = Connection for battery pack
X10 = Remote warning contact
X11 = RS 485
X12 = RS 485
X13 = Mains plug
X14 = Cold store terminal
Cd1 = Start-up capacitor
F1 = Temperature sensor cold store
F2 = Temperature sensor evaporator
F3= Temperature senor warning
electronics and display
S1 = Door contact switch
G1 = Battery pack
A1 = Operating and display unit
A2 = Control and monitoring board
K1 = Compressor relay (hybrid)
K3 = Recirculated air fan relay
K7 = Low temperature protection relay
K9 = Remote warning relay
KM1 = Start-up relay
M1 = Compressor motor
M2 = Liquefier fan
M3 = Recirculated air fan
MF 1 = Motor protection
blau = blue
rot = red
schwarz = black
grau = grey
weiß = white
grün = green
gelb = yellow
braun = brown
grün-gelb = green-yellow

Related product manuals