EasyManua.ls Logo

KitchenAid KBFA25ER - SCHEMATIC DIAGRAM

KitchenAid KBFA25ER
68 pages
Print Icon
To Next Page IconTo Next Page
To Next Page IconTo Next Page
To Previous Page IconTo Previous Page
To Previous Page IconTo Previous Page
Loading...
7-3
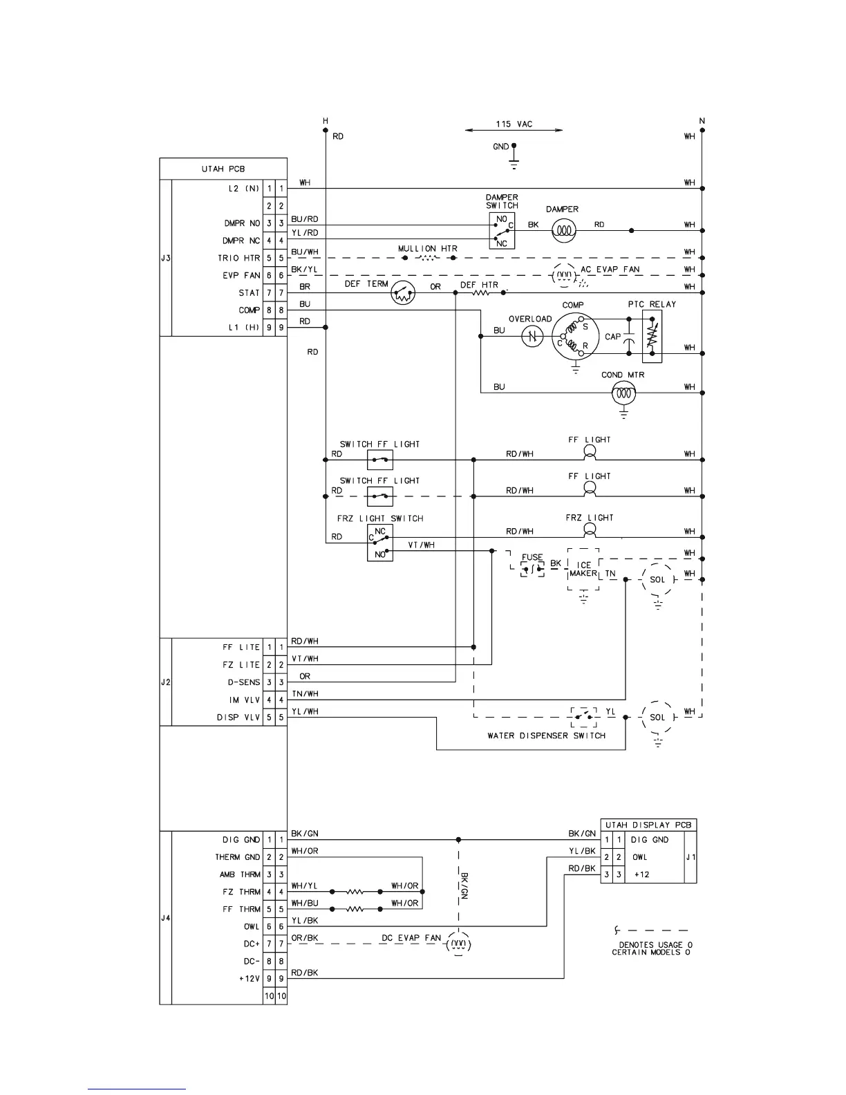
SCHEMATIC DIAGRAM

Table of Contents

Related product manuals