EasyManua.ls Logo

KitchenAid KEMS378S - Wiring Diagram and Strip Circuits; Wiring Diagram

KitchenAid KEMS378S
96 pages
Print Icon
To Next Page IconTo Next Page
To Next Page IconTo Next Page
To Previous Page IconTo Previous Page
To Previous Page IconTo Previous Page
Loading...
7-1
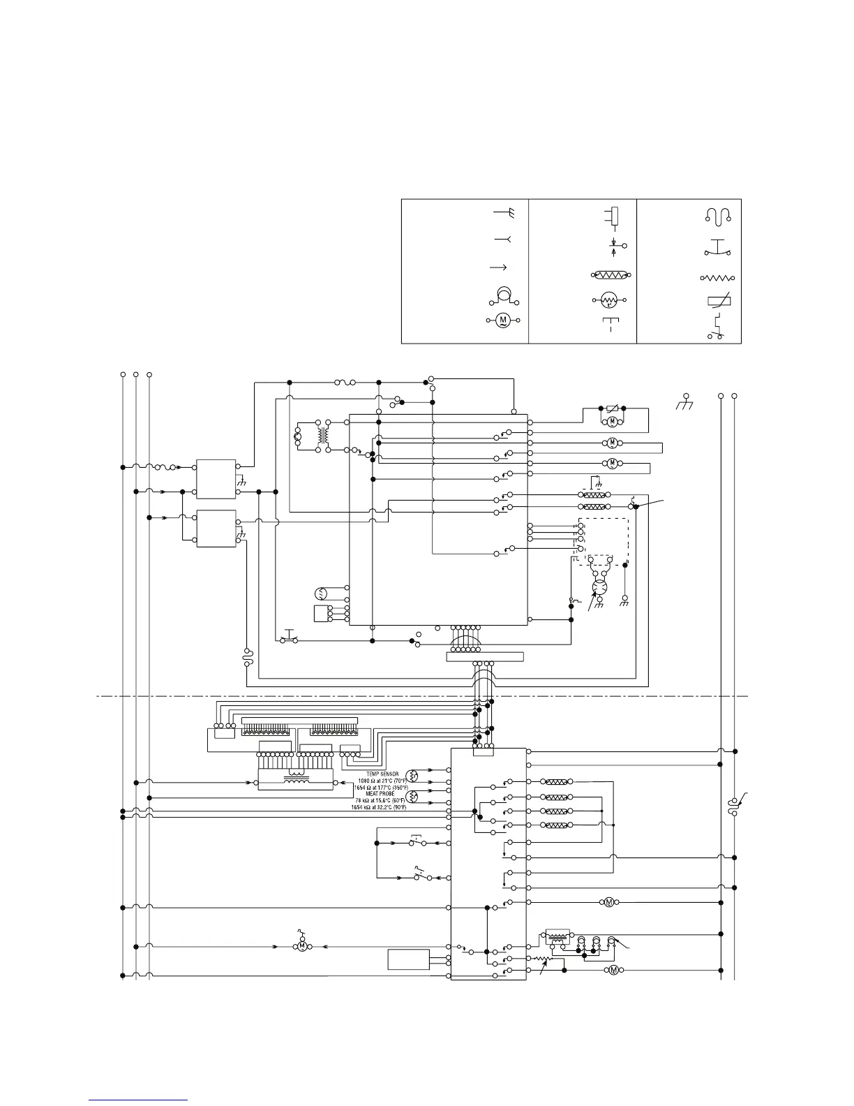
WIRING DIAGRAM & STRIP CIRCUITS
WIRING DIAGRAM
L1 N L2
BK W R
BK
W
R
LINE 20A
FUSE
BK
W
R
W
MAIN FILTER L1
1030
MAIN FILTER L2
1035
P32
P33
P31 P34
1
2
3
4
BR
W
W
R
Y/G
18
BK W W
W
R
BK
W
BK
BK
BK
BK
BU
HALOGEN LIGHT
MW LIGHT
TRANSFORMER
BR
BR
R
R
BR
1620
CONV
THERMISTOR
HUMIDITY
SENSOR
1130
CAVITY
THERMOSTAT
P6
P4
W
BU
BU
1
2
4
SECONDARY
INTERLOCK SWITCH
P1-3
P10
P1
WIDE INTERFACE BOARD
U3
P3-1
Y
MICROWAVE APPLIANCE
MANAGER
MONITOR FUSE
20A
BK
BR
PRIMARY INTERLOCK
SWITCH 1060
1
2
4
BR
2
4
1
R
MONITOR
INTERL
OCK SWITCH
P2-6
P1-1
P2-5
P1-2
Y
Y
BU
P3-2
P2-8
P2-7
P2-4
P2-3
P2-2
P2-1
4904
4905
2
1
1
2
1
2
4903
P8-3
P8-2
P8-1
BK
BK
BK
BK
BR
BR
CONV.
THERMOACTUATOR
BK
BK
CONV. FAN
MAGNETRON FAN
TURNTABLE
Y/G
BK
W
GRILL 1600W
CONV. 1200W
CN701
MW
INVERTER
CN702
C
N703
E70
W
Y/G
BU
R
R
F
F
A
1020
MAGENTRON
THERMOSTA
T
MAGNETRON
W
W
GND
N L2
W
R
CONVECTION
THERMOSTAT
1170
BU
BK
1080
GRILL
THERMOSTAT
P4
P3
P1
P2
KEYPAD
CONTROL POWER TRANSFORMER
R
W
Y
LOWER DOOR
LOCK L
ATCH
BK
BK
MW UI BOARD
LOWER OVEN UI BOARD
W
V
W
V
W
W
OR
W
BR
BU
BU
BR
OR
OR
T
T
DOOR SWITCH
(ON LA
TCH ASSY)
LATCH SWITCH
(OPERATED BY MOTOR)
BK
Y
R/W
G
EOL TESTER
CONNECTION
BK
P6
LOWER OVEN
APPLIANCE
MANAGER
P2-1
P2-2
P2-5
P2-6
T4-4
T4-3
P1-5
BR
P1-7
P1-4
P8-1
P8-5
P5-1
P5-3
P9-5
P7-3
P7-1
T3-2
T3-3
T3-4
T3-1
T1-1
T1-2
T2-2
P8-3
P8-6
P8-4
T1-2
P9-2
R
W
Y
R
OR
BU
R
R/W
R
R/W
OR
BK/
W
GY
GY
CONV.
1600W
Y
R
BAKE 2000W
IN BROIL 1800W
OR
OUT BROIL 1450W
BU
L
OWER LIGHT
TRANSFORMER
W
GY
GY
BLOWER SPEED
RESISTOR
BLOWER
W
W
CONV.
FAN
HALOGEN LIGHT 5W BULB
OPERA
TES IN ALL MODES
EXCEPT SELF-CLEAN
BK
BK
BK
W
W
W
W
W
R
R
OVEN
SHUTDOWN
THERMAL
CUTOFF
(NON-
RESET
TABLE)
105°C (221°F)
MICROWAVE
LOWER
OVEN
THERMAL CUTOFF
(NON-RESETTABLE)
GROUND (CHASSIS)
PLUG WITH FEMALE
CONNECTOR
RECEPTACLE WITH
MALE CONNECTOR
LIGHT
AC DRIVE
MOTOR
RE
LAY COIL
RESISTOR
REL
AY
CONTACTS
HEATING
ELEMENT
ENCLOSED
THERMISTOR
OPE
RATED
B
Y DOOR
THERMOSTAT
THERMOACTUATOR
THERMAL CUTOFF
(MANUALLY
RESE
TTABLE)
SYMBOLS
NOTES:
When replacing the electronic control, be sure to program the
cavity size. See “Programming the Cavity Size” on page 6-7.
Dots indicate connections or splices.
Circuit shown in STANDBY/OFF mode with oven door closed.

Table of Contents

Related product manuals