EasyManua.ls Logo

KITO ED24ST - 10 Parts List

Default Icon
49 pages
Print Icon
To Next Page IconTo Next Page
To Next Page IconTo Next Page
To Previous Page IconTo Previous Page
To Previous Page IconTo Previous Page
Loading...
— 35 —
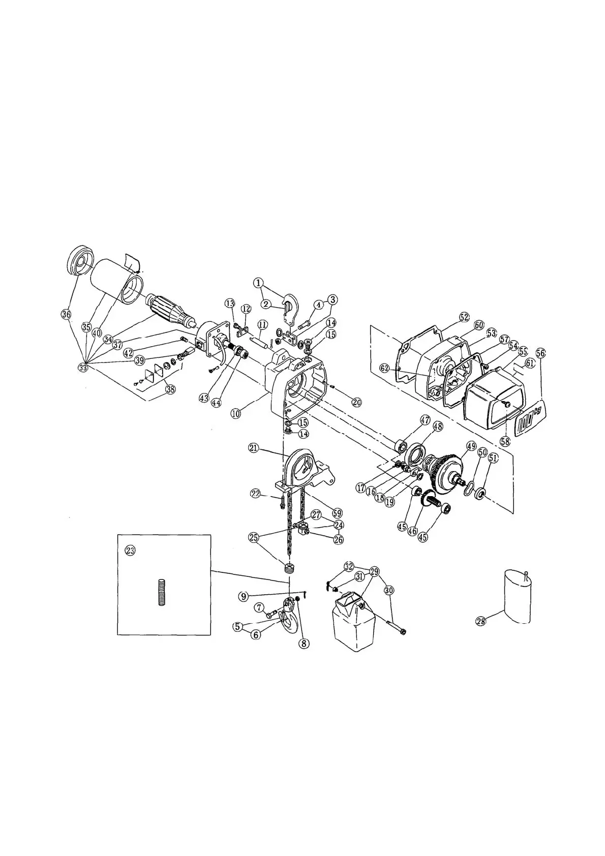
10. PARTS LIST
Exploded views and part names of the electric chain hoist are given in the following.
Note: When ordering replacement parts, please specify the following points :
1. Voltage
2. Capacity and lifting speed
3. Model number on name plate
4. Correct part names and numbers
5. Lineal length of push button cord or power supply cable
(Option)

Related product manuals