EasyManua.ls Logo

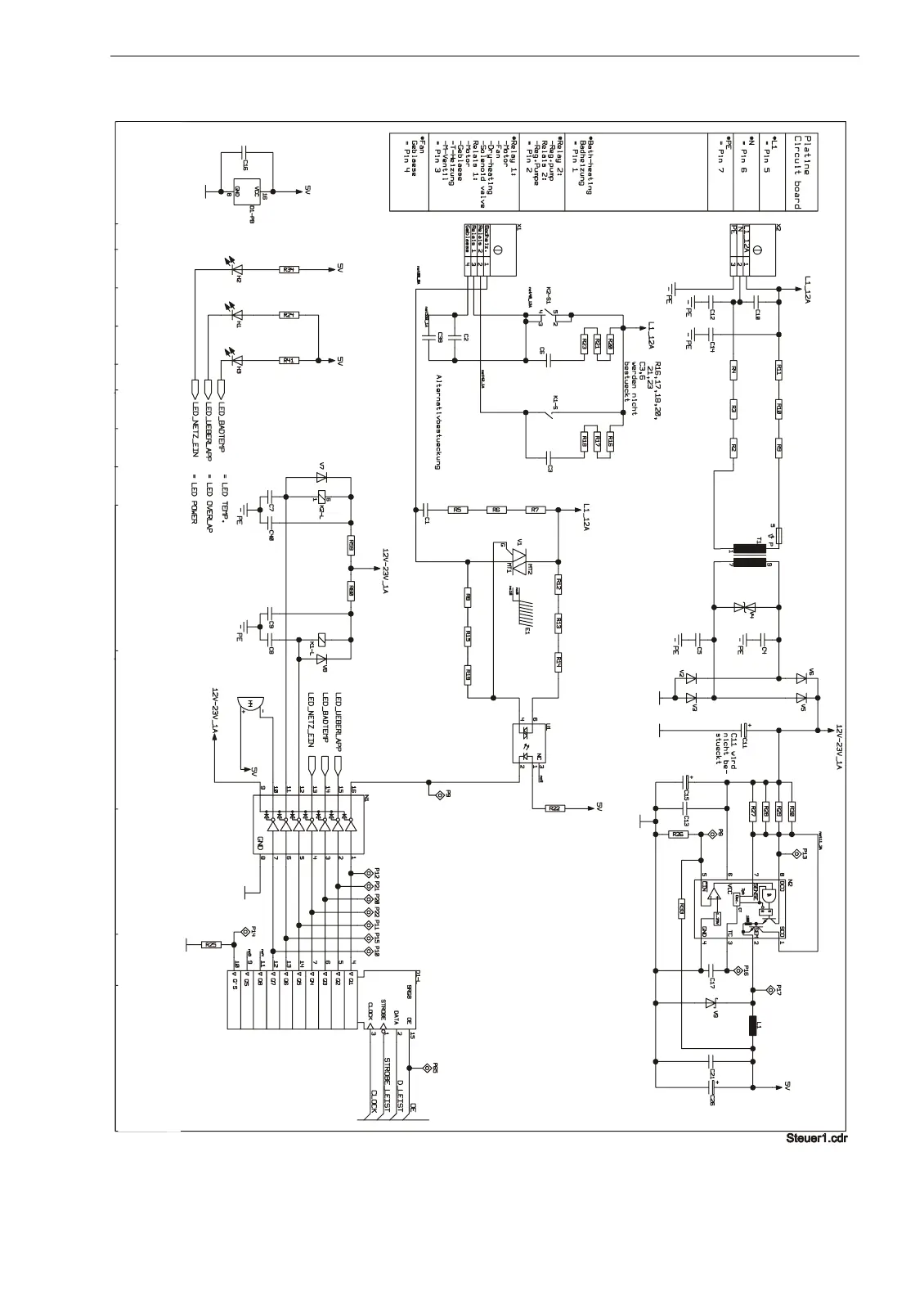
Kodak 104 - Circuit Board Details

Kodak 104
20 pages
Print Icon
To Next Page IconTo Next Page
To Next Page IconTo Next Page
To Previous Page IconTo Previous Page
To Previous Page IconTo Previous Page
Loading...
19
Wiring Diagrams

Related product manuals