EasyManua.ls Logo

Kohler 4CKM - Page 55

Kohler 4CKM
90 pages
Print Icon
To Next Page IconTo Next Page
To Next Page IconTo Next Page
To Previous Page IconTo Previous Page
To Previous Page IconTo Previous Page
Loading...
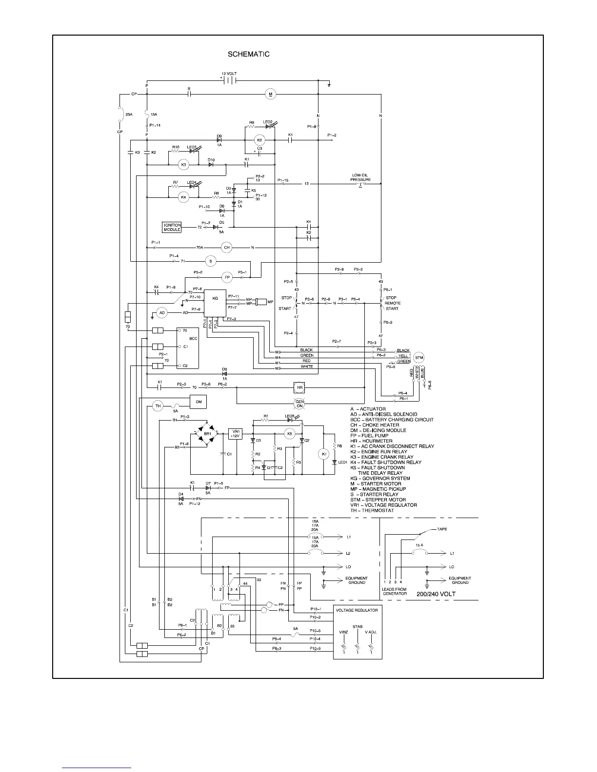
5-14 Wiring Diagrams TP-5393 9/93
227760-B
Figure 5-12. Schematic of Wiring Diagram 227760

Table of Contents

Other manuals for Kohler 4CKM

Related product manuals