EasyManua.ls Logo

Kohler 5ERKM

Kohler 5ERKM
40 pages
To Next Page IconTo Next Page
To Next Page IconTo Next Page
To Previous Page IconTo Previous Page
To Previous Page IconTo Previous Page
Loading...
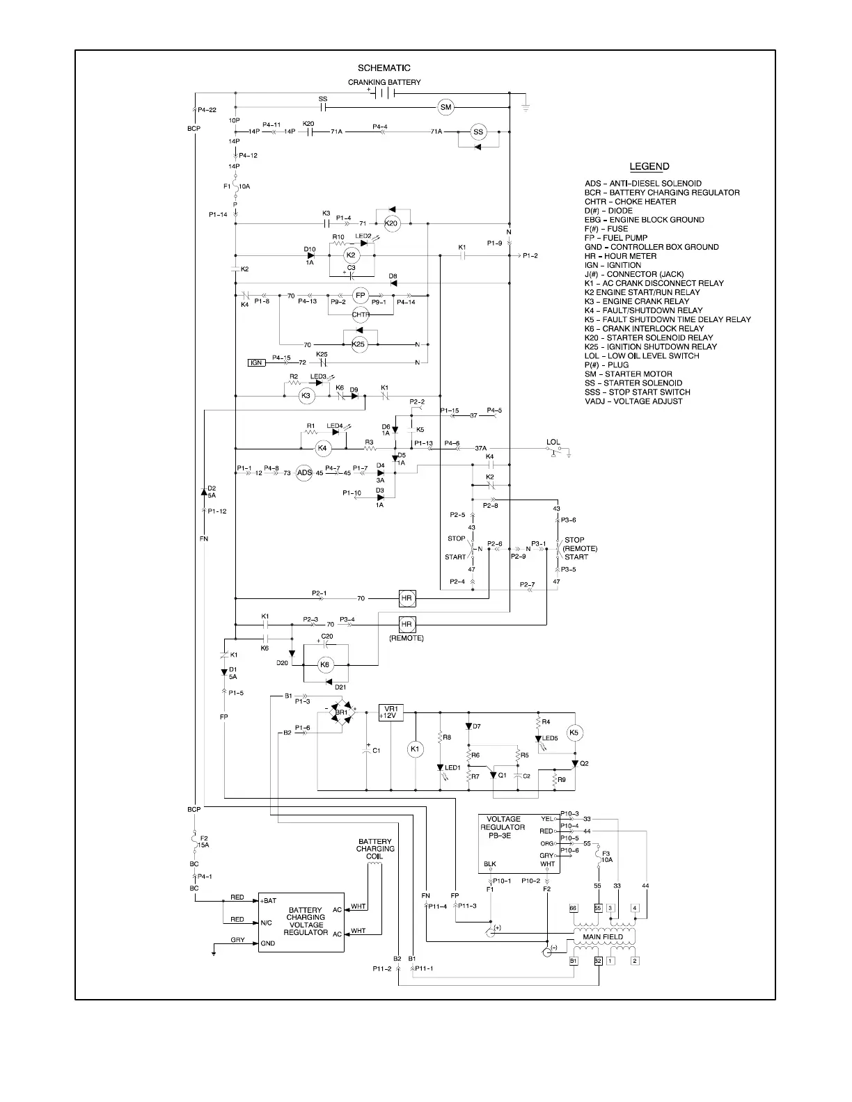
TP-6081 4/0020 Section 5 Diagrams and Drawings
GM11960-
Figure 5-1 Schematic Wiring Diagram

Other manuals for Kohler 5ERKM

Related product manuals