EasyManua.ls Logo

Kohler 8.5RMY - Page 87

Kohler 8.5RMY
98 pages
Print Icon
To Next Page IconTo Next Page
To Next Page IconTo Next Page
To Previous Page IconTo Previous Page
To Previous Page IconTo Previous Page
Loading...
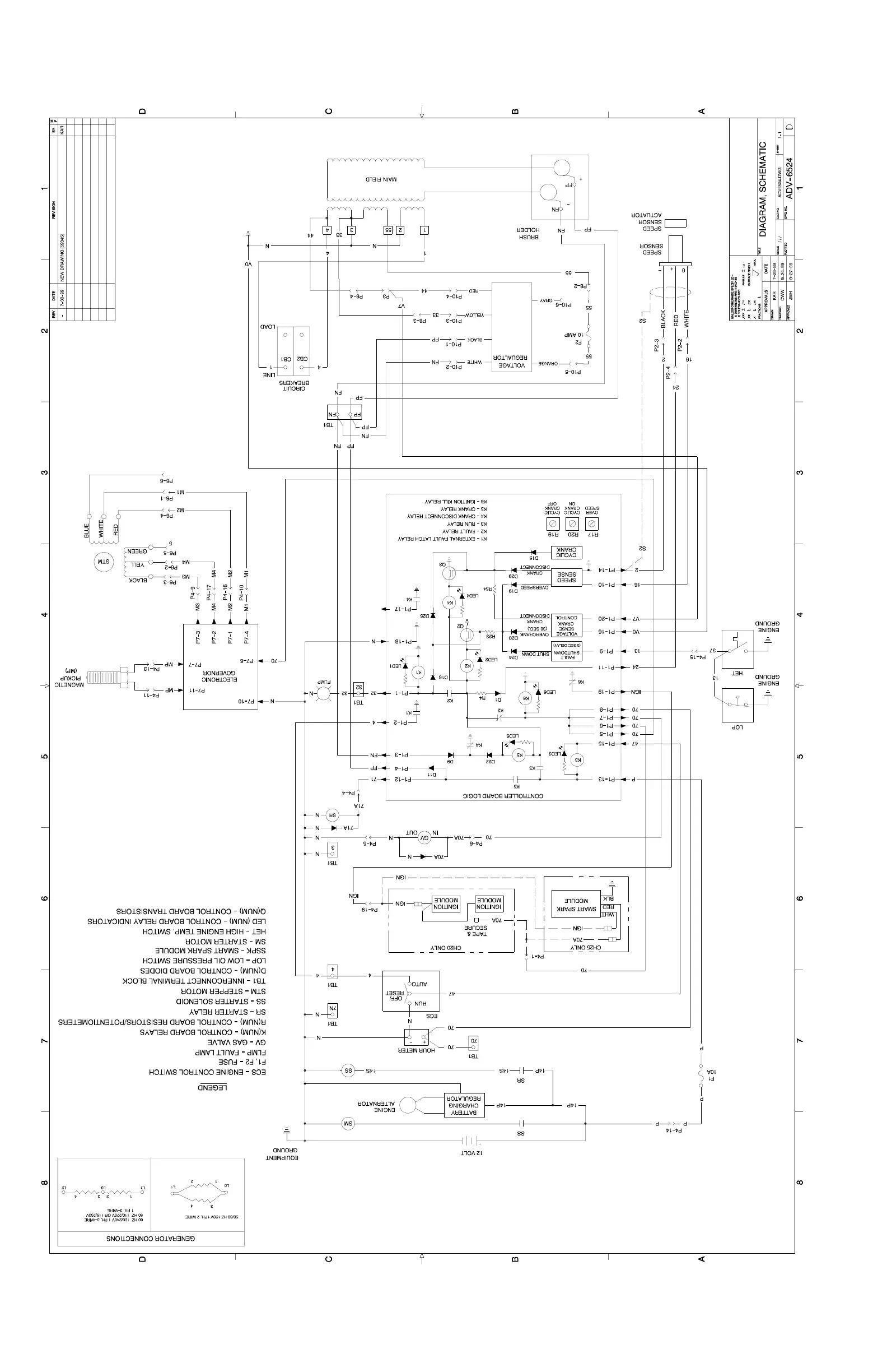
TP-5867 11/02 77Section 9 Diagrams and Drawings
Relay Controller, Schematic Diagram, ADV-6524-

Table of Contents

Other manuals for Kohler 8.5RMY

Related product manuals