EasyManua.ls Logo

Kohler KCS - Other Accessories

Kohler KCS
60 pages
Print Icon
To Next Page IconTo Next Page
To Next Page IconTo Next Page
To Previous Page IconTo Previous Page
To Previous Page IconTo Previous Page
Loading...
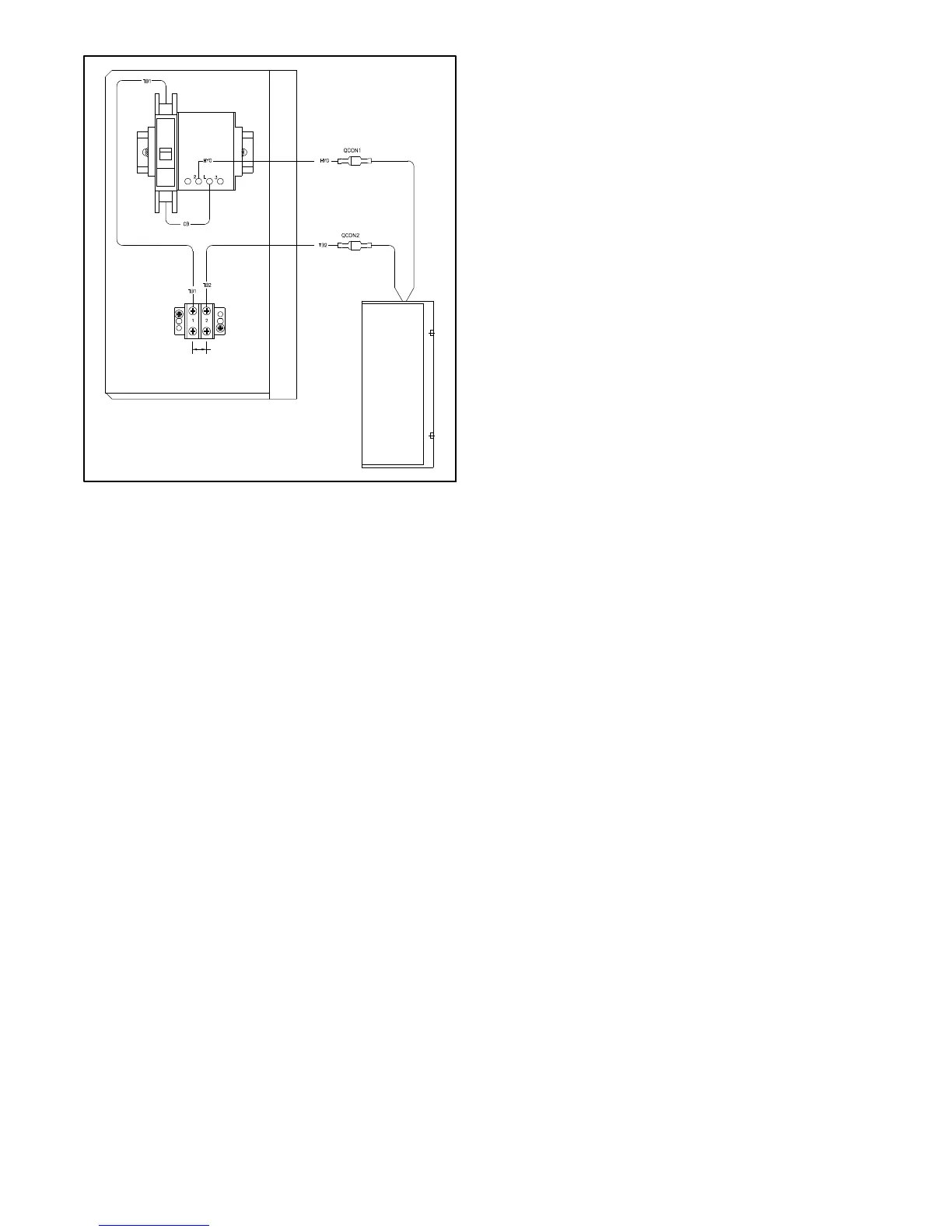
TP-6833 2/16 49Section 4 Communication and Accessory Connections
GM71278
HYGROSTAT
HEATER
CIRCUIT
BREAKER
TERMINAL
BLOCK
120 VAC ONLY
CUSTOMER SUPPLIED
Figure 4-26 Heater Connections
4.6 Other Accessories
Refer to the following documentation for instructions to
install, connect, and operate optional accessories.
D Transfer switch wiring diagrams.
D Installation instructions provided with loose
accessory kits.
D Controller Operation Manual. See List of Related
materials in the Introduction section of this manual for
document numbers.

Table of Contents

Related product manuals