EasyManua.ls Logo

Kolida DL-200 - 7 Other Functions; Distance Display [DIST]; Inverse Staff Mode; Horizontal Angle Measurement

Kolida DL-200
29 pages
Print Icon
To Next Page IconTo Next Page
To Next Page IconTo Next Page
To Previous Page IconTo Previous Page
To Previous Page IconTo Previous Page
Loading...
26
7. OTHER FUNCTIONS
7.1 Distance Display [DIST]
Use the [DIST] to measure the distance before surveying, to make sure the
distances between the frontsight and backsight are same.
7.2 Inverse Staff Mode [-]
Under this model, staff can be inverted for the ceiling measure.
Firstly, set the “Inverse Mode” to “Use” in the Meas.Para. setting. Before pressing
MEAS, press the [-] button. The battery symbol and symbol “I” will appear alternately
on the upper right corner of the screen. That means the Inverse Mode is activated.
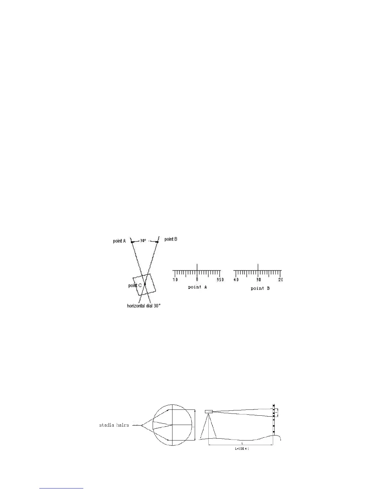
7.3 Horizontal Angle Measurement
This instrument is equipped with a horizontal dial which can be used for horizontal
angle measurement. Every 1° with a graduation, every 10° with a mark in the dial,
and the graduation increases from 0° to 350° in clockwise direction.
(1)Firstset up and level the instrument in start point C. Second, sight the
telescope to backsight point A, and rotate the horizontal tangent screw until
crosshair is accurately on the staff at point A. Rotate the horizontal dial at 0°.
(2)Sight the telescope to point B, and adjust the horizontal tangent, until the
crosshair is accurately on the staff at point B. And the angle reading is angle
between target A and target B, i.e. ACB.
7.4 Optical Distance Measure
With the stadia hair of the instrument and the graduation on the staff, you can
measure the distance easily. The stadia interval on the staff multiplies 100 is the
distance. The stadia interval is the interval between the upper hair and the lower
hair on the reticle.
(1) Set up the staff on the target point.
(2) Set up and level the instrument. Sight the telescope to the staff. Record the
stadia interval between upper hair and lower wire as “1”.
(3) The distance “L” between instrument and staff is L=100x1.

Related product manuals