EasyManua.ls Logo

Korg D8 - Block Diagram

Korg D8
76 pages
Print Icon
To Next Page IconTo Next Page
To Next Page IconTo Next Page
To Previous Page IconTo Previous Page
To Previous Page IconTo Previous Page
Loading...
69
Chapter 4
Appendices
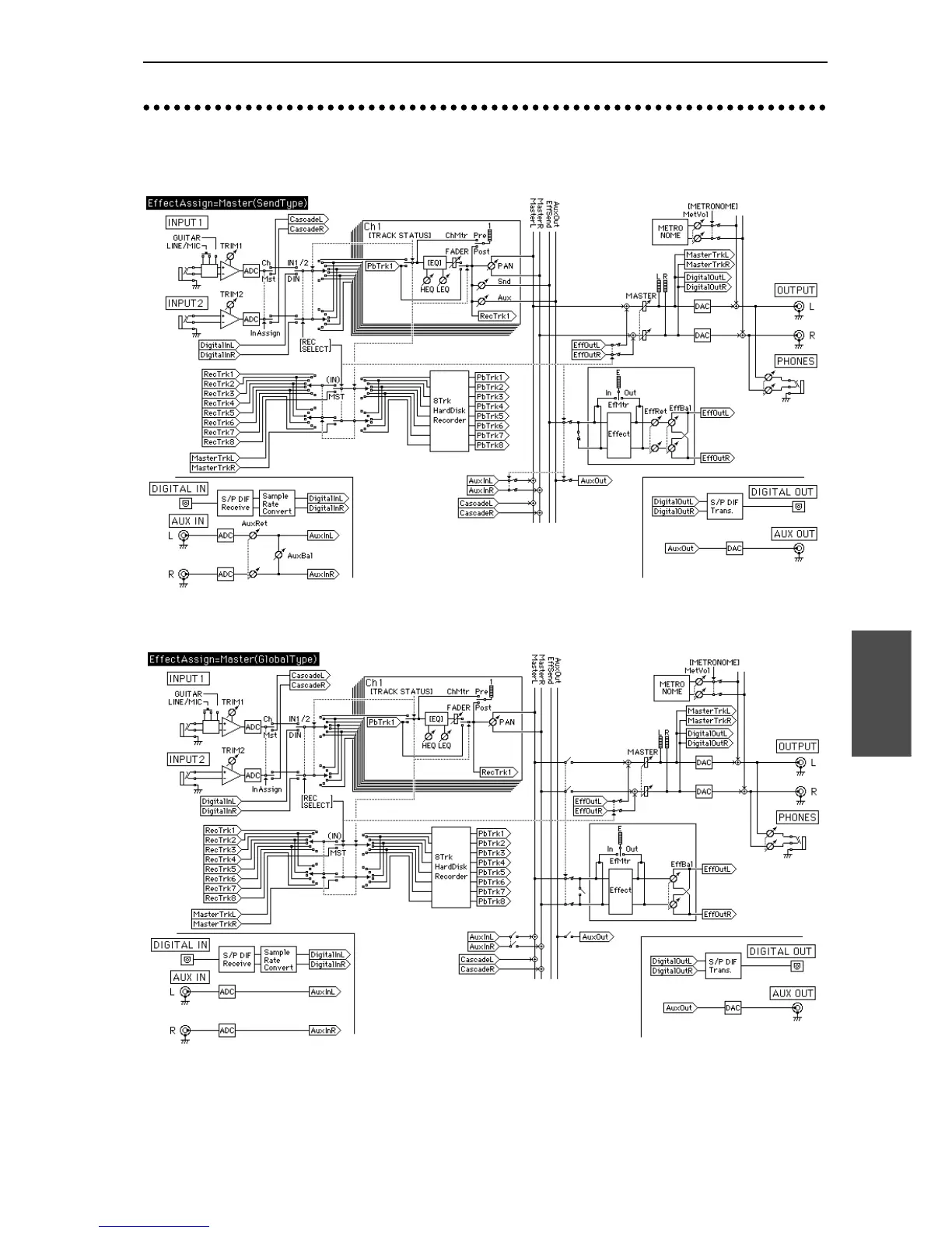
4. Block Diagram
Effect Assign = Master (Send Type)
Effect Assign = Master (Global Type)

Table of Contents

Related product manuals