EasyManua.ls Logo

Kroll KG20 - Kg;Ub150, Kg;Ub200

Kroll KG20
52 pages
Print Icon
To Next Page IconTo Next Page
To Next Page IconTo Next Page
To Previous Page IconTo Previous Page
To Previous Page IconTo Previous Page
Loading...
29
Ausgabe Nov. 2009
Technische Änderungen vorbehalten
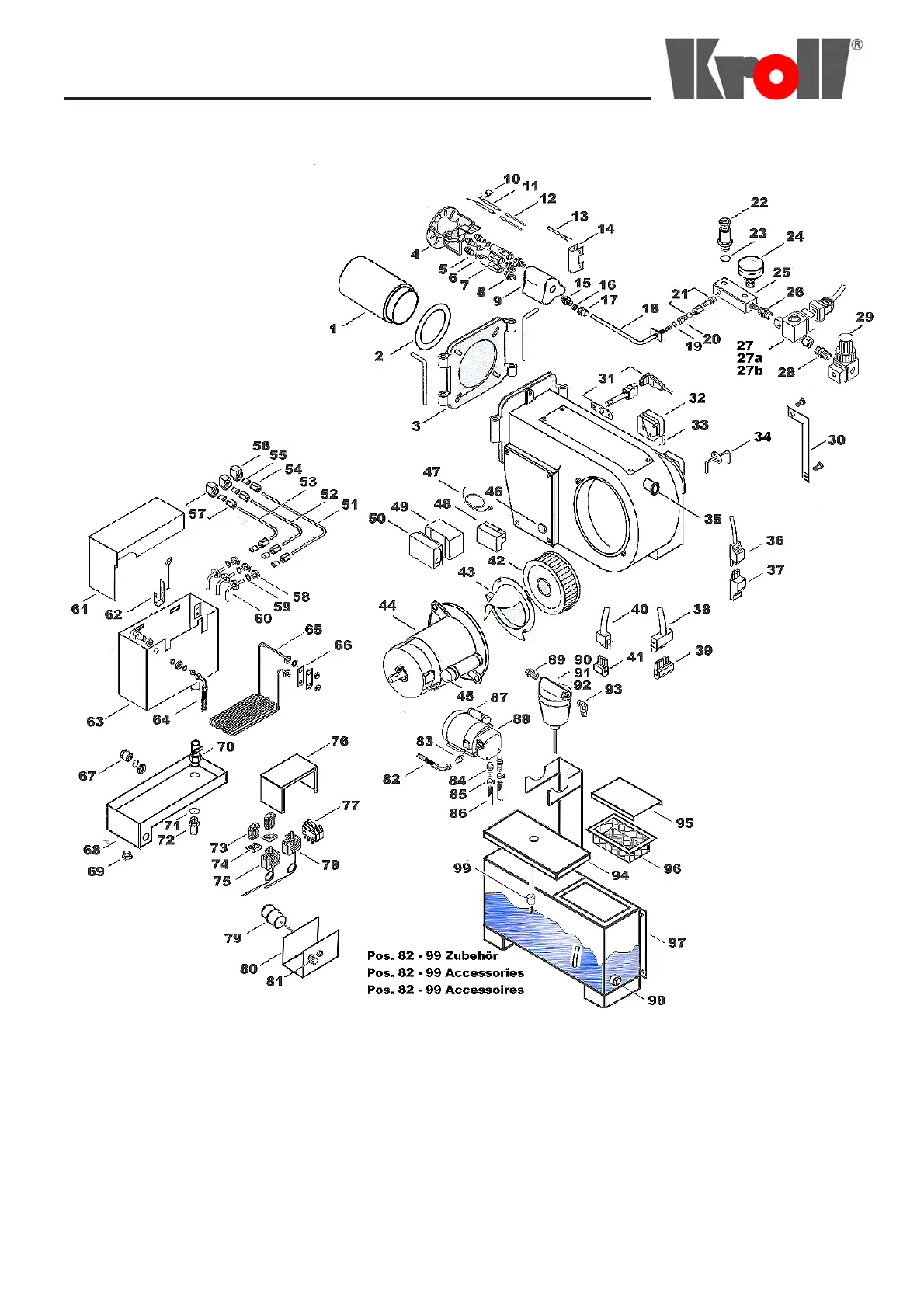
KG/UB150, KG/UB200
Einzelteile / Component parts / Nomenclature

Table of Contents

Related product manuals