EasyManua.ls Logo

Kyongbo Electronics GDR-D01 - Appended 2. Internal Block Diagram; Appended 4. External Connection Diagram

Kyongbo Electronics GDR-D01
47 pages
Print Icon
To Next Page IconTo Next Page
To Next Page IconTo Next Page
To Previous Page IconTo Previous Page
To Previous Page IconTo Previous Page
Loading...
Digital UnderVoltage Relay (GDR-D01) User's Manual V1.10
45 / 47
Kyongbo Electronics Co., Ltd.
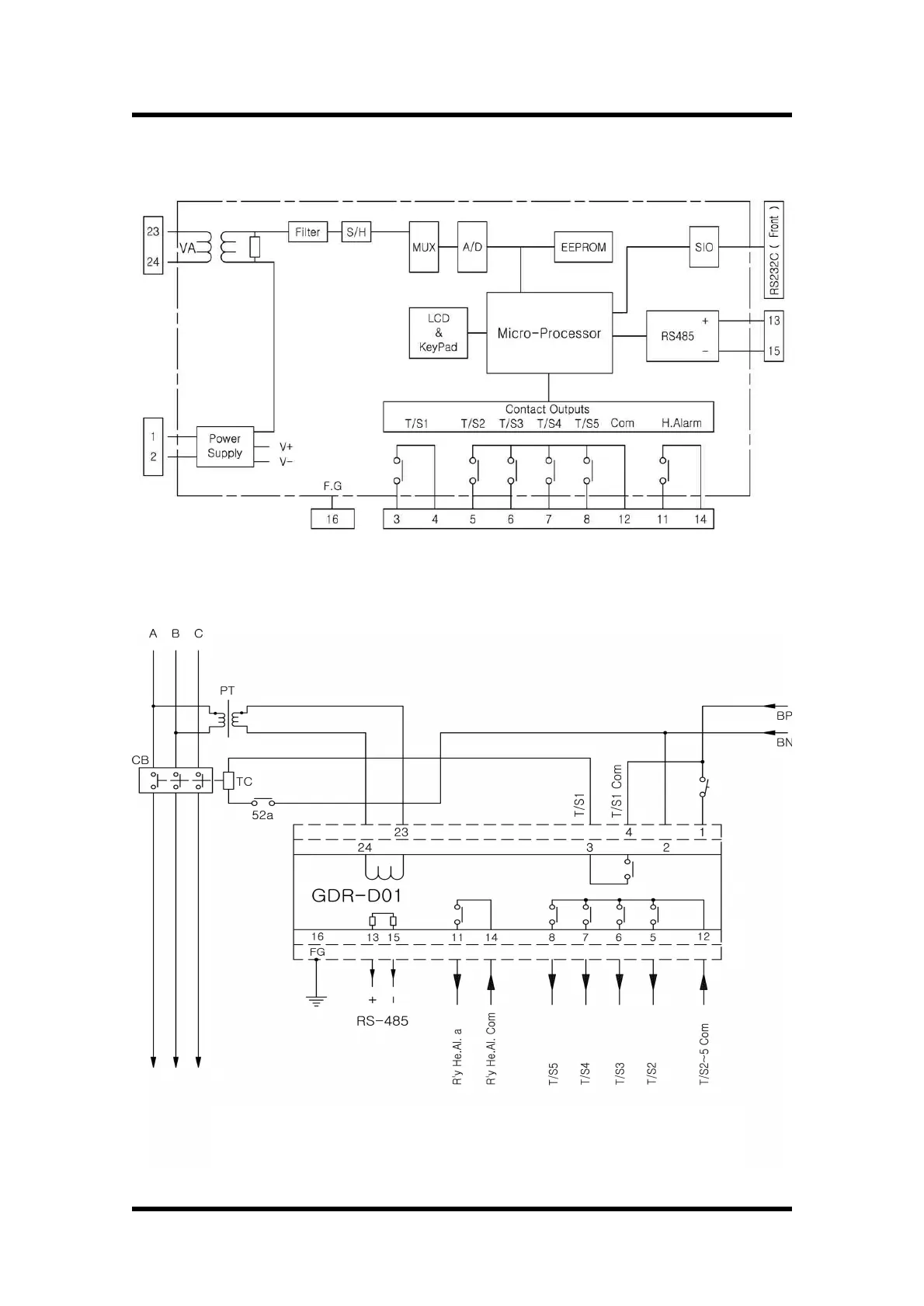
Appended 2. Internal Block Diagram
Appended 4. External Connection Diagram
* Cation : 1) External connection diagram is example.
2) R'y.He.AI contact out status is normal
when apply aux. power

Related product manuals