EasyManua.ls Logo

La Cornue CornuFe - Schematic Diagram of the Range

La Cornue CornuFe
36 pages
Print Icon
To Next Page IconTo Next Page
To Next Page IconTo Next Page
To Previous Page IconTo Previous Page
To Previous Page IconTo Previous Page
Loading...
31
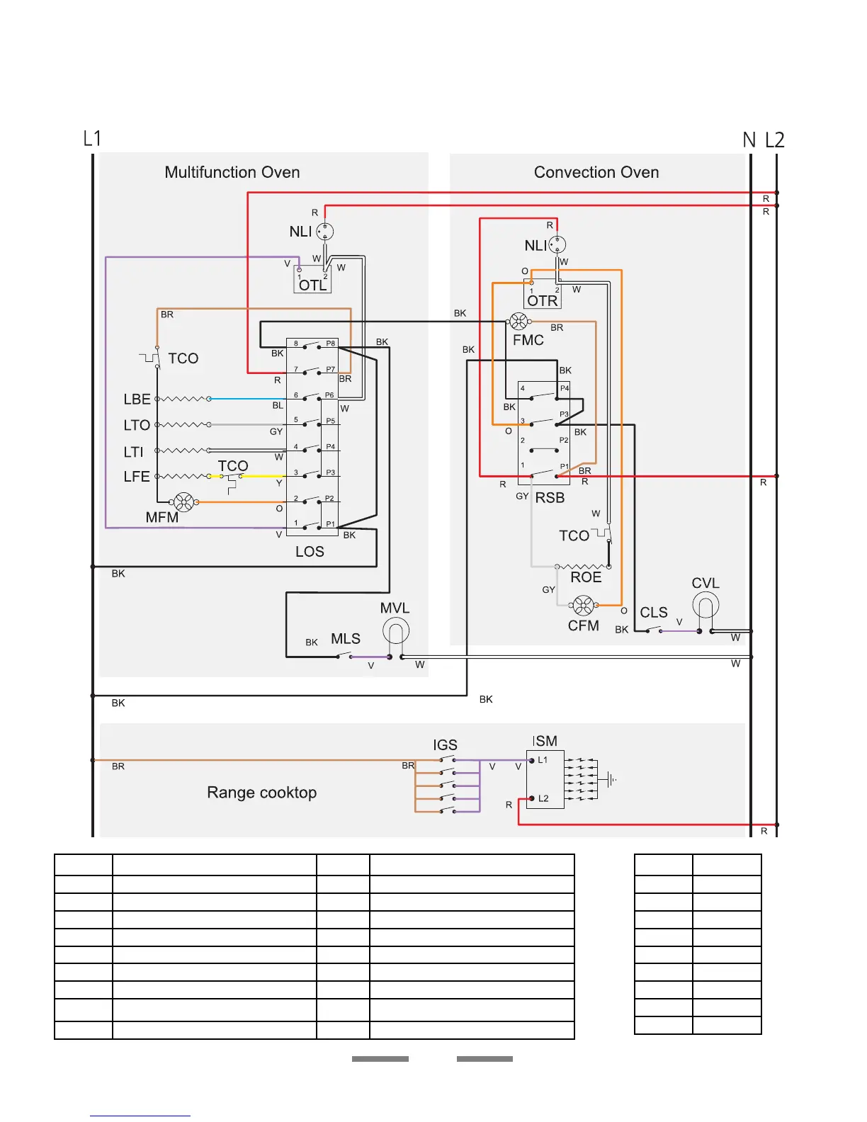
Schematic diagram of the Range
Caution: Label all wires prior to disconnection when servicing controls. Wiring errors
can cause improper and dangerous operation. Verify proper operation after servicing.
Code Description Code Description
CFM Cooling fan motor OFM Oven fan motor
IGS Ignition switches OLS Oven light switch
ISG Ignition spark generator OTL Left hand oven thermostat
LBE Left hand bottom element OTR Right hand oven thermostat
LFE Left hand fan element OVL Oven light bulb
LTI Left hand top inner element ROE Right hand oven element
LTO Left hand top outer element RSB Right hand oven switch block
LOS Left hand oven switch block TCO Thermal cut out
NLI Neon indicator light
Code Color
BK Black
BL Blue
BR Brown
GY Grey
OOrange
RRed
V Violet
WWhite
Y Yellow

Other manuals for La Cornue CornuFe

Related product manuals