EasyManua.ls Logo

Lake Shore Model 421 - Model MH-6 Helmholtz Coil

Default Icon
92 pages
Print Icon
To Next Page IconTo Next Page
To Next Page IconTo Next Page
To Previous Page IconTo Previous Page
To Previous Page IconTo Previous Page
Loading...
Lake Shore Model 421 Gaussmeter User’s Manual
Accessories and Probes 5-9
P-421-5-09.bmp
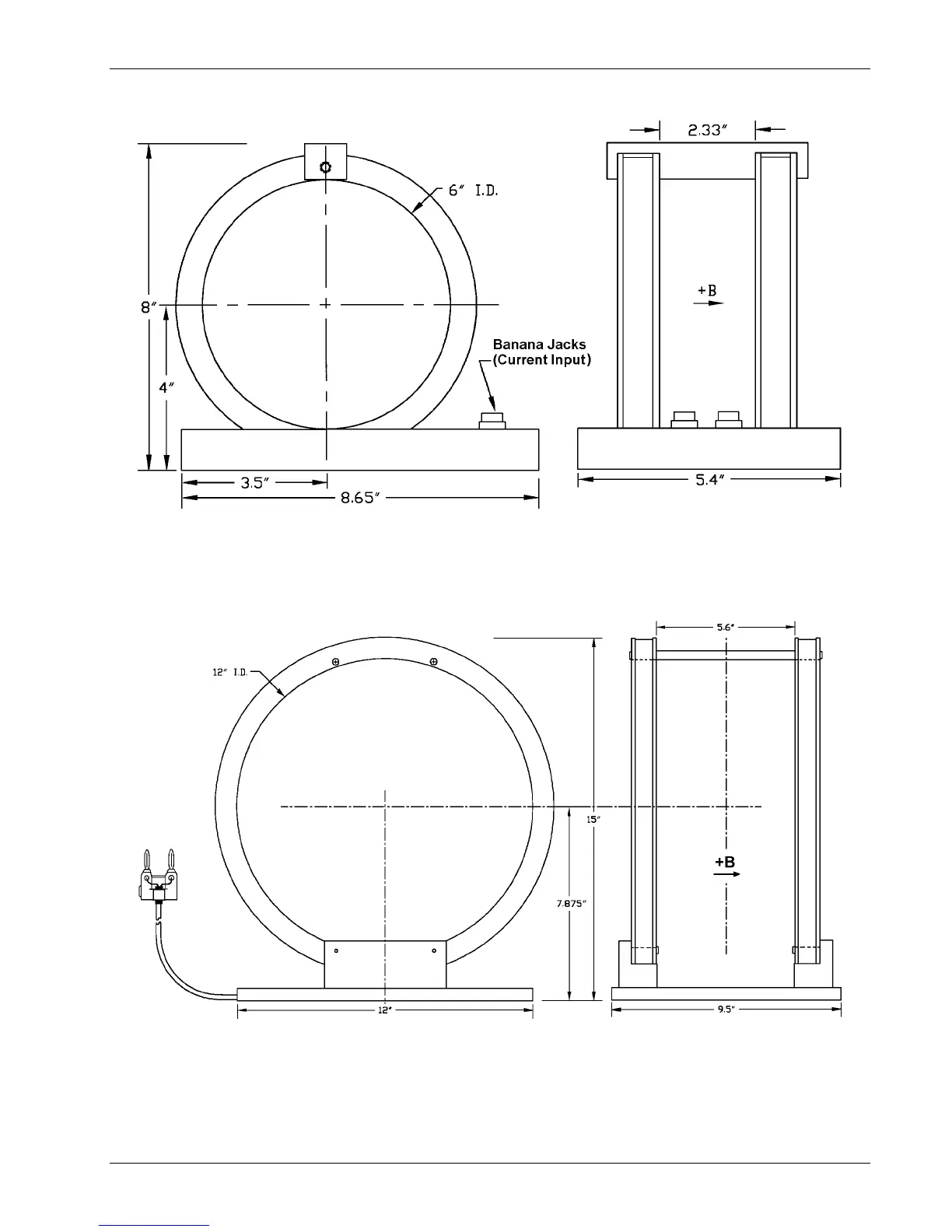
Figure 5-9. Model MH-6 Helmholtz Coil
P-421-5-10.bmp
Figure 5-10. Model MH-12 Helmholtz Coil

Table of Contents