EasyManua.ls Logo

Leakwise PS-220 - Page 45

Default Icon
47 pages
Print Icon
To Next Page IconTo Next Page
To Next Page IconTo Next Page
To Previous Page IconTo Previous Page
To Previous Page IconTo Previous Page
Loading...
5
5
4
4
3
3
2
2
1
1
D D
C C
B B
A A
GND
+15V
+15V
+15V
+15V
+15V +15V +15V
+15V
+15V
+15V
Title
Size Document Number Rev
Date: Sheet of
DWGS PSX 004 3 A
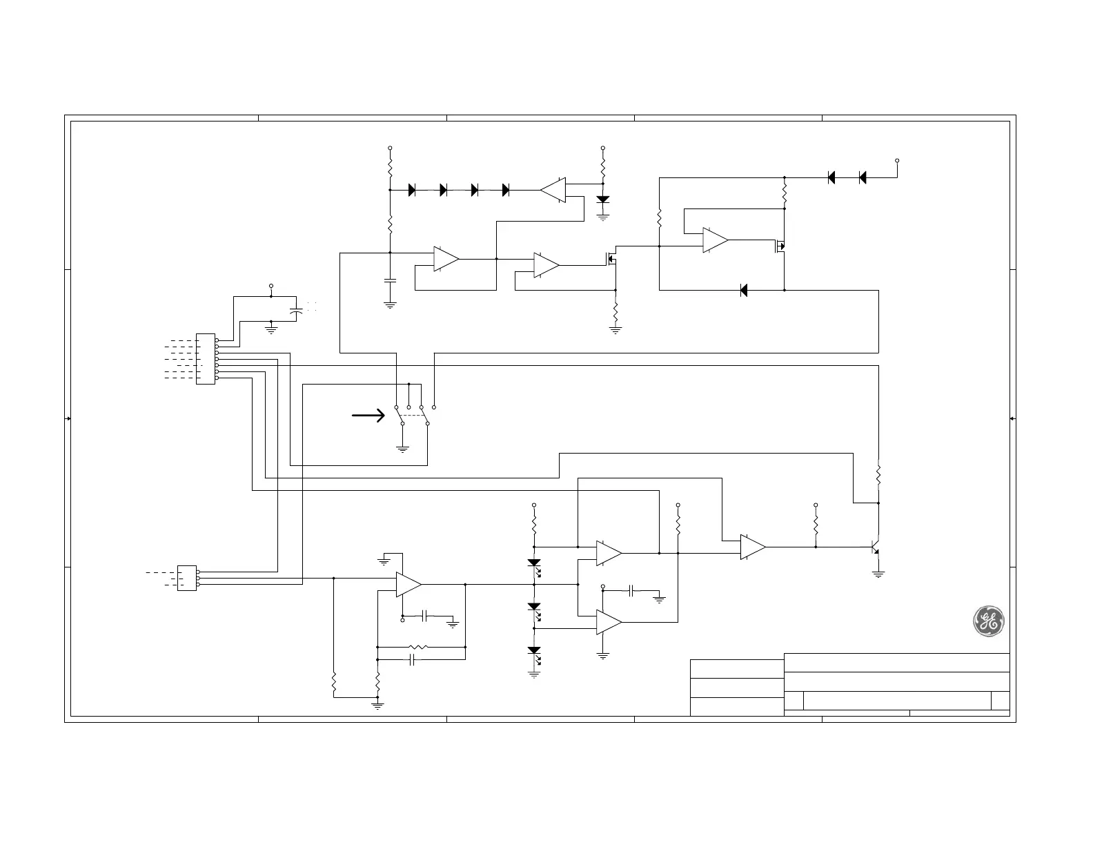
BUILT IN TEST BOARD for PS-220 Rev. Dx
Ionics Agar Environmental Ltd.
B
11Sunday, October 28, 2007
GE Analytical Instruments
TO FAIL RELAY
DET +
RAMPING CURRENT OUT
POWER
ON
PUSH
TO
TEST
PS-220
TEST
TO DET. DISCONN. LIGHT
PS-220 SIGNAL
SIG. GND
DET SIGNAL
DETECTOR
DISCONNECTED
+12V/+15V
TB6
DET + SUPPLY
DET - (GND)
FAIL /
DRAWING BY:
CHECKED BY:
APPROVED BY:
S. DAVID
S. DAVID
S. DAVID
TO OIL / AIR RELAY
SENSOR
INPUT
R5
1.5K
LD2
Green LED
D1
1N914
D7
1N914
SW1
C&K 8221
MOMENTARY DPDT
D4
1N914
+
-
U1B
LM324N
6
5
7
R7
10R
Q3
2N3904
R10
1K
C2
0.1uF
+
-
U2D
LM339N
11
10
13
+
-
U1C
LM324N
9
10
8
D2
1N914
D8
1N914
AK500/3DS
1
2
3
R1
3.3K
+
C5
47uF/50V
C3
0.1uF
R11
10K
C1
0.47uF
+
-
U1A
LM324N
2
3
1
4 11
C4
0.1uF
R4
82K
+
-
U2B
LM339N
7
6
1
Q2
BS250
Q1
BS170
D5
1N914
LD1
Green LED
TB5
MKDS 1/7-3.5
1
2
3
4
5
6
7
R12
10K
R2
1M
R8
2.2K
R6
100R
+
-
U2C
LM339N
9
8
14
D3
1N914
D6
1N914
R3
24K
+
-
U2A
LM339N
5
4
2
312
LD3
Green LED
R13
510R 1/2W
+
-
U1D
LM324N
13
12
14
R9 82K

Related product manuals