EasyManua.ls Logo

Lemmer DC-3000 - DC-3000 PARTS DIAGRAM

Lemmer DC-3000
32 pages
Print Icon
To Next Page IconTo Next Page
To Next Page IconTo Next Page
To Previous Page IconTo Previous Page
To Previous Page IconTo Previous Page
Loading...
26
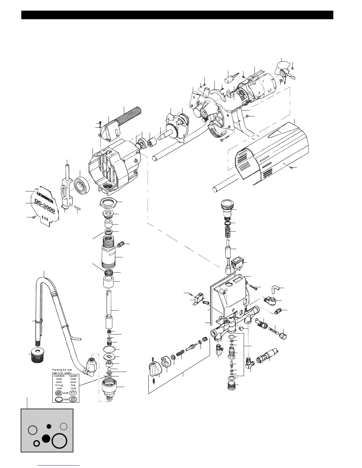
DC-3000 PARTS DIAGRAM
Feb00
1
2
3
4
5
6
7
8
9
10
11
12
15
16
17
18
19
20
21
22
23
27
28
29
30
31
32
35
34
33
39
40
41
42
43
44
45
46
47
48
49
50
54
55
56
57
58
57
59
60
62
63
64
65
66
67
68
69
70
71
75
77
78
79
80
81
82
76
83
84
85
86
90
91
112
112
94
112
56
112
97
98
99
100
101
102
103
104
105
106
107
108
109
110
Do not
remove
unless
replacing
Important, following items require accurate torques:
#62 transducer plug ................ 20 ft/lbs
#91 packing nut ...................... 25 ft/lbs
#101 S.V. hex nut ..................... 12 ft/lbs
#108 F.V. housing .................... 90 ft/lbs
Packing Kit
112
Caution:
Do Not use
high pressure water
spray against the
electric control box.
Caution:
only use fibre
braid high pressure airless
hose. Do Not use steel
braid hose!
61
111

Related product manuals