EasyManua.ls Logo

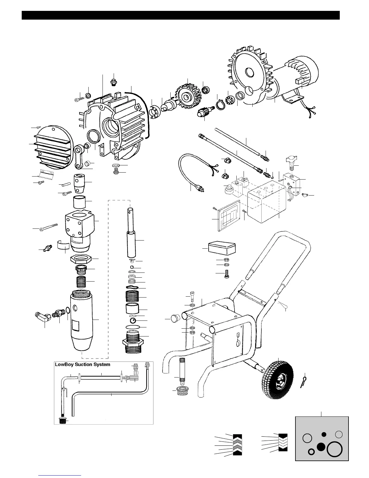
Lemmer DC-3000 - DC-4000 PARTS DIAGRAM

Lemmer DC-3000
32 pages
Print Icon
To Next Page IconTo Next Page
To Next Page IconTo Next Page
To Previous Page IconTo Previous Page
To Previous Page IconTo Previous Page
Loading...
28
DC-4000 PARTS DIAGRAM
Nov99
1
2
3
4
5
6
7
8
10
11
12
13
14
40
41
35
36
42
43
44
45
47
48
49
50
51
52
53
46
54
Packing Kit
84
92
80
81
93
88
89
90
91
86
77
78
83
82
87
66
65
75
74
73
72
70
69
68
67
64*
76
60
61
62
56
57
63
36
22
58
94
32
31
25
17
28
27
30
17
24
26
19
20
22
23
31
21
15
16
29
55
71
upper packings:
female support
poly
leather
poly
leather
poly
male support
lower packings:
male support
poly
poly
poly
poly
female support
Caution:
only use fibre braid
high pressure airless hose.
Do Not use steel braid hose!
96
95
97
98
97
99
100
103
*64, Only replace this seal if
external leak is evident. Once seal
is removed, it must be replaced.
101
20
25a
Caution:
Do Not
use high pressure
water spray against
the electronic
control box.
36
The newest packing
nut is made of
bronze and has a
groove to identify it.
k

Related product manuals