EasyManua.ls Logo

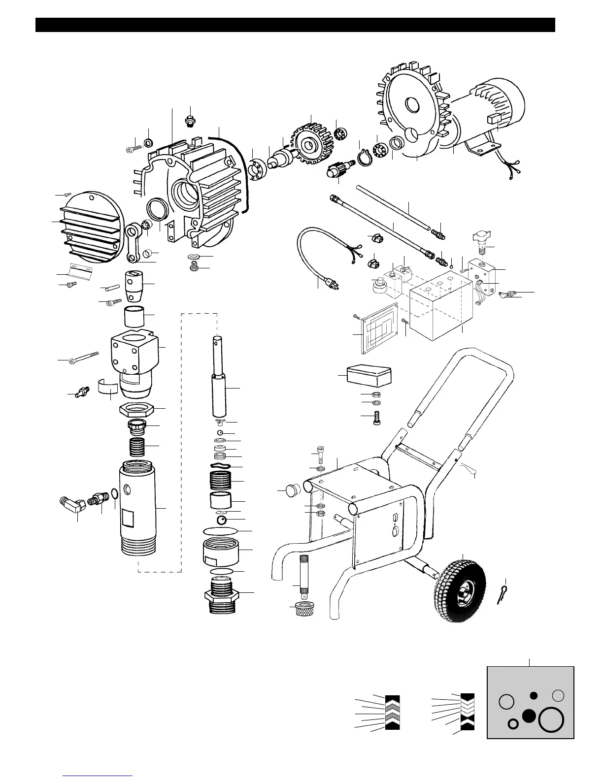
Lemmer DC-3000 - DC-7000 PARTS DIAGRAM

Lemmer DC-3000
32 pages
Print Icon
To Next Page IconTo Next Page
To Next Page IconTo Next Page
To Previous Page IconTo Previous Page
To Previous Page IconTo Previous Page
Loading...
30
DC-7000 PARTS DIAGRAM
1
2
3
4
5
6
7
8
10
11
12
13
14
40
41
35
36
42
43
44
45
47
48
49
50
51
52
53
46
54
Packing Kit
60
61
62
56
57
63
36
22
58
97
15
16
55
upper packings:
female support
poly
leather
poly
leather
poly
male support
lower packings:
male support
poly
poly
poly
poly
female support
male support
*64, Only replace this seal if
external leak is evident. Once seal
is removed, it must be replaced.
84
92
80
81
93
88
89
90
91
86
77
78
83
82
87
66
65
75
74
73
72
70
69
68
67
71
64*
76
94
95
32
34
25
17
28
27
30
17
26
19
20
22
23
31
21
29
25a
24
Caution:
Do Not use
high pressure water
spray against the
electronic control box.
18
36
Caution:
only use fibre braid
high pressure airless hose.
Do Not use steel braid hose!

Related product manuals