EasyManua.ls Logo

Lennox ELA Series

Lennox ELA Series
29 pages
To Next Page IconTo Next Page
To Next Page IconTo Next Page
To Previous Page IconTo Previous Page
To Previous Page IconTo Previous Page
Loading...
Page 25
ELA072/240 − SEQUENCE OF OPERATION
1 - W1 heat demand energizes the economizer relay
K43.
2 - When K43−1 closes, N.O. K232-1 closes , sending
a signal to inverter A96.
3 - A96 starts forward rotation to control blower B3 speed.
ACCESSORIES
REV. 0
COOL 2(Y2)
24V POWER
COOL 1(Y1)
BLOWER(G)
HEAT 1(W1)
HEAT 2(W2)
TB1
A2
A63
J3
P3
4
5
3
2
1
6
TB1
R
Y1
OC
RC
R
RT2
COMPONENT
SENSOR-ELECTRONIC
SENSOR-CO2
JACK-UNIT ECONOMIZER
PLUG-LESS ECONOMIZER
SENSOR-REMOTE
TERMINAL STRIP-CLASS II VOLTAGE
THERMOSTAT SUPPLIED BY USER
REMOVE P3 WHEN ECONOMIZER IS USED
J3 MAXIMUM LOAD 20VA 24VAC CLASS II
DESIGNATES OPTIONAL WIRING
CLASS II FIELD WIRING
W2
W1
24V COMMON
A183
GND
C1
W2
W1
G 8
6
7
5 C1
VFD CONTROL (G)
G
W1
W2
L
A
S1
S2
Y2
TB1
G
7
2
1
9
8
10
11
12
13
14
15
7
Y1
TB1
KEY
A2
A63
J3
P3
RT2
Y2
C
1
2
3
H1
8
C
A183
Y2
Y1
3
4
H1
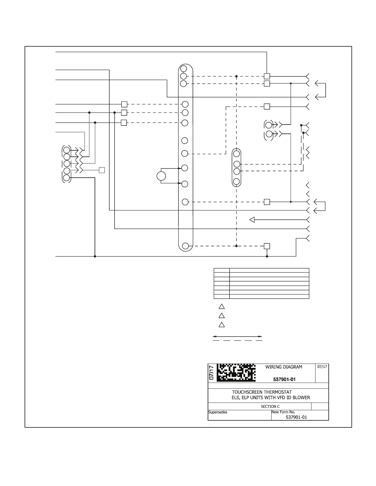
FIGURE 8. Typical Control Wiring used with ELS and ELP Outdoor Units

Related product manuals