EasyManua.ls Logo

Lennox GWB84-060E

Lennox GWB84-060E
40 pages
To Next Page IconTo Next Page
To Next Page IconTo Next Page
To Previous Page IconTo Previous Page
To Previous Page IconTo Previous Page
Loading...
13
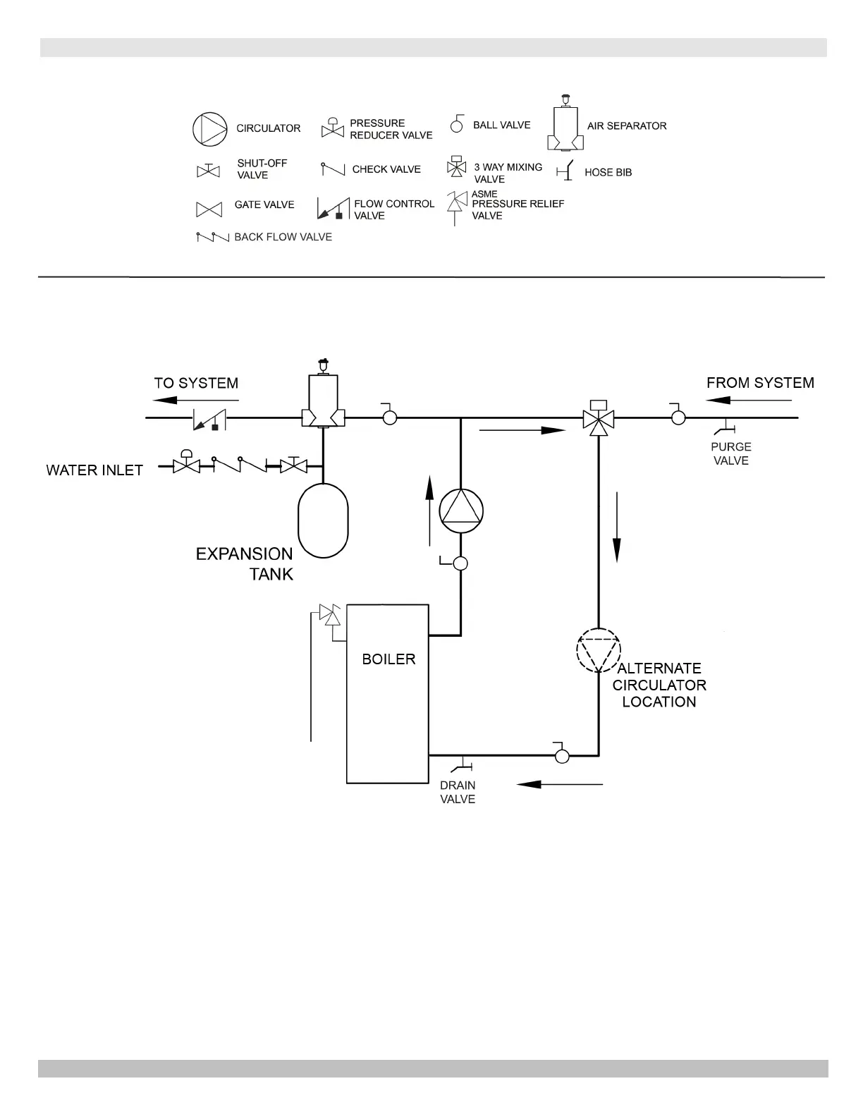
Figure 4-3 - Bypass Piping With Automatic Mixing Valve
BACK FLOW VALVE
PIPING LEGEND:
4 - CONNECTING SUPPLY AND RETURN PIPING
PURGE
VALVE
DRAIN
VALVE





PN 240012889 Rev. A [07/31/2020]

Related product manuals