EasyManua.ls Logo

Lennox GWB84-060E

Lennox GWB84-060E
40 pages
To Next Page IconTo Next Page
To Next Page IconTo Next Page
To Previous Page IconTo Previous Page
To Previous Page IconTo Previous Page
Loading...
14
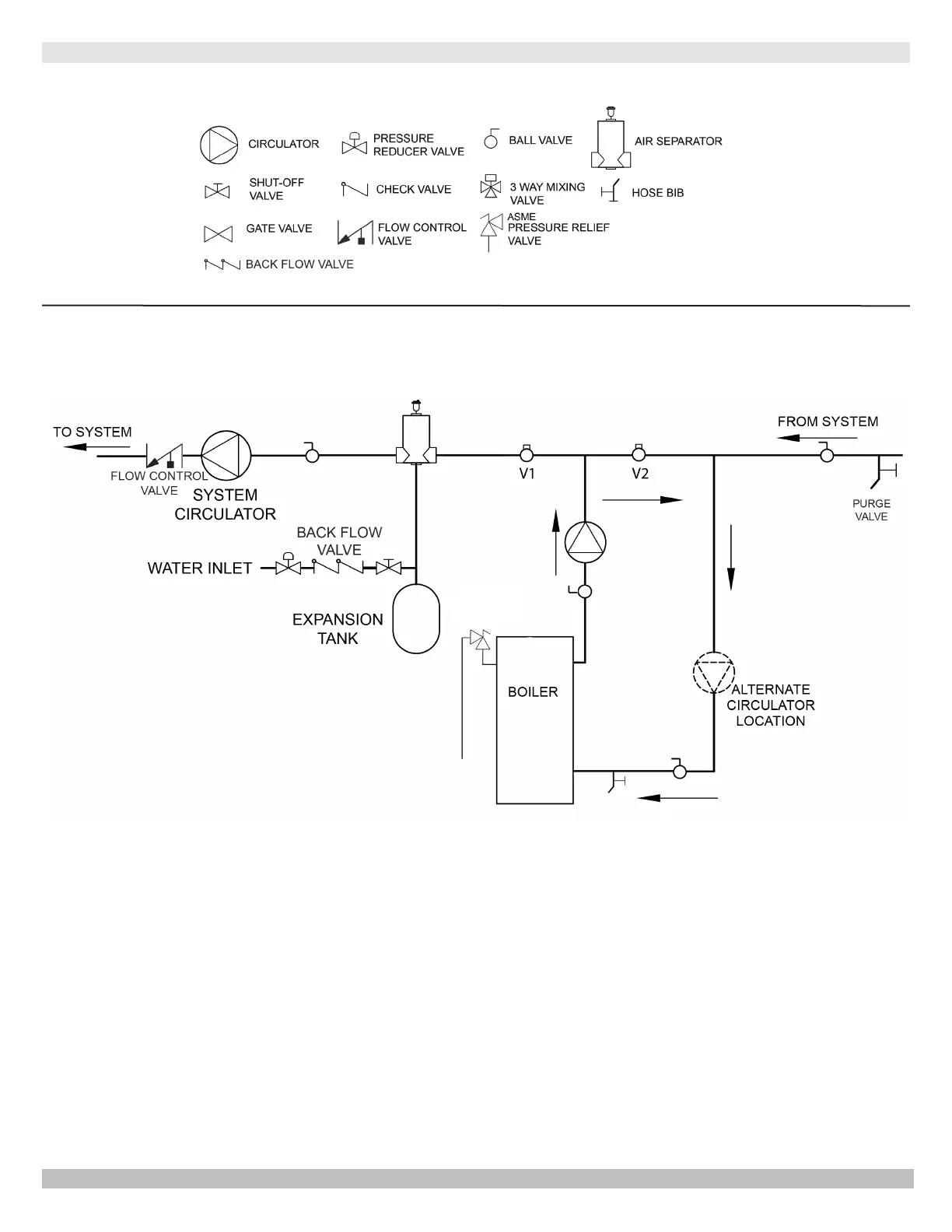
4 - CONNECTING SUPPLY AND RETURN PIPING
Figure 4-4 - Bypass Piping - Fixed Low Temp Only With Zone Valve
BACK FLOW VALVE
PIPING LEGEND:



*
*
* 

PN 240012889 Rev. A [07/31/2020]

Related product manuals