EasyManua.ls Logo

Lennox GWB84-060E

Lennox GWB84-060E
40 pages
To Next Page IconTo Next Page
To Next Page IconTo Next Page
To Previous Page IconTo Previous Page
To Previous Page IconTo Previous Page
Loading...
15
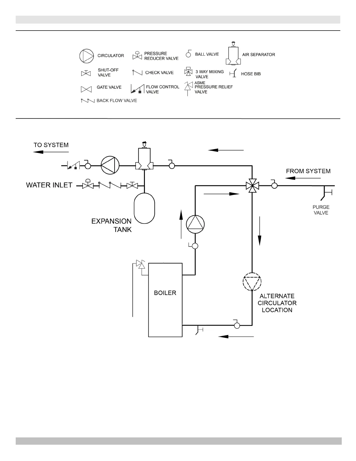
4 - CONNECTING SUPPLY AND RETURN PIPING
Figure 4-5 - Bypass Piping (4-Way Valve Option With Circulator On Supply side)
BACK FLOW VALVE
PIPING LEGEND:






PN 240012889 Rev. A [07/31/2020]

Related product manuals