EasyManua.ls Logo

Lennox XP14-018-230-06

Lennox XP14-018-230-06
50 pages
To Next Page IconTo Next Page
To Next Page IconTo Next Page
To Previous Page IconTo Previous Page
To Previous Page IconTo Previous Page
Loading...
Page 45
XP14 SERIES
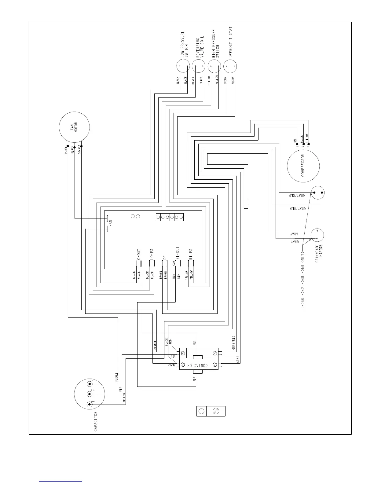
Figure 24. Typical Factory Wiring (Copeland Compressor) (XP14-XXX-230-08 and later)

Related product manuals