EasyManua.ls Logo

Lenze i55 Series - 3-Phase Mains Connection 400 V; Connection Plan

Lenze i55 Series
702 pages
Print Icon
To Next Page IconTo Next Page
To Next Page IconTo Next Page
To Previous Page IconTo Previous Page
To Previous Page IconTo Previous Page
Loading...
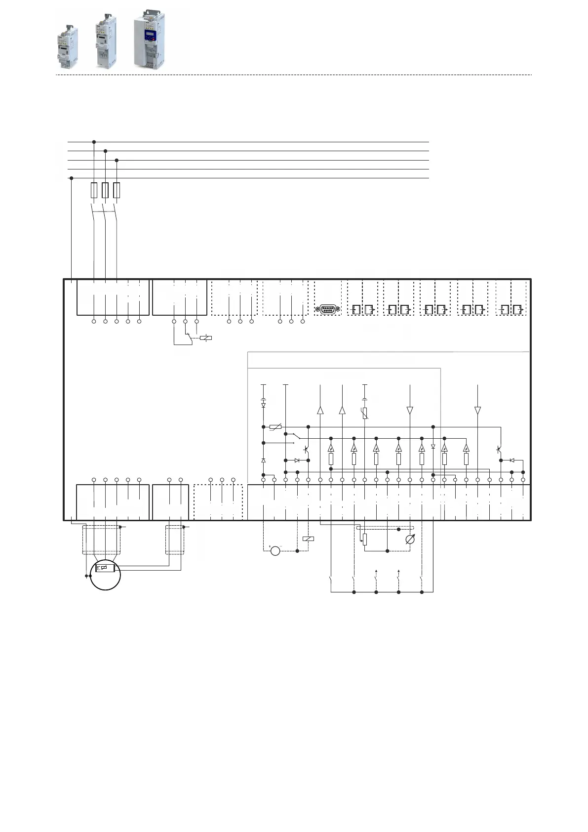
4.2.4 3-phase mains connecon 400 V
4.2.4.1 Connecon plan
The connecon plan is valid for the inverters I55AExxxF.
X287
X286
POWERLINK
X277
X276
Modbus TCP
X267
X266
EtherNet/IP
OUT
X257
IN
X256
PROFINET
OUT
X247
IN
X246
EtherCAT
X226
PROFIBUS
TB
COM
TA
X216
Modbus RTU
CL
CG
CH
X216
CANopen
Safety STO
X1
SIA
GS
SIB
DC SELV PELV 24 V /
(+19.2 … +28.8 V)
"
1k ... 10k
0 ... 10 V
S1
DI3 DI4
100 mA
4.4k
+24 V +10 V
4.4k
4.4k
4.4k
4.4k
10 mA
Standard I/O
GND
1 DO
1 DI
2 DI
3 DI
4 DI
5 DI
24E
GND
1 AI
2 AI
10V
GND
1 AO
24V
24E
X3
24V
4.4k
7 DI
4.4k
2 AO
1 DI
2 DO
GND
GND
6 DI
Application I/O
X105
U
V
W
Rb1
Rb2
+
X109
T1
T2
""
M
3~
+
J
J
NC
NO
COM
X9
AC 240 V
3 A
X100
L1
L2
L3
+ UG
- UG
F1
F3
Q1
3/N/ 400 VPE AC
3/ PE
340 V ... 528 VAC
45 Hz ... 65 Hz
PE
N
L3
L2
L1
+
Fig. 6: Wiring example
S1 Start/Stop
Fx Fuses
Q1 Mains contactor
--- Dashed line = opons
Electrical installaon
Mains connecon
3-phase mains connecon 400 V
41

Table of Contents

Related product manuals