EasyManua.ls Logo

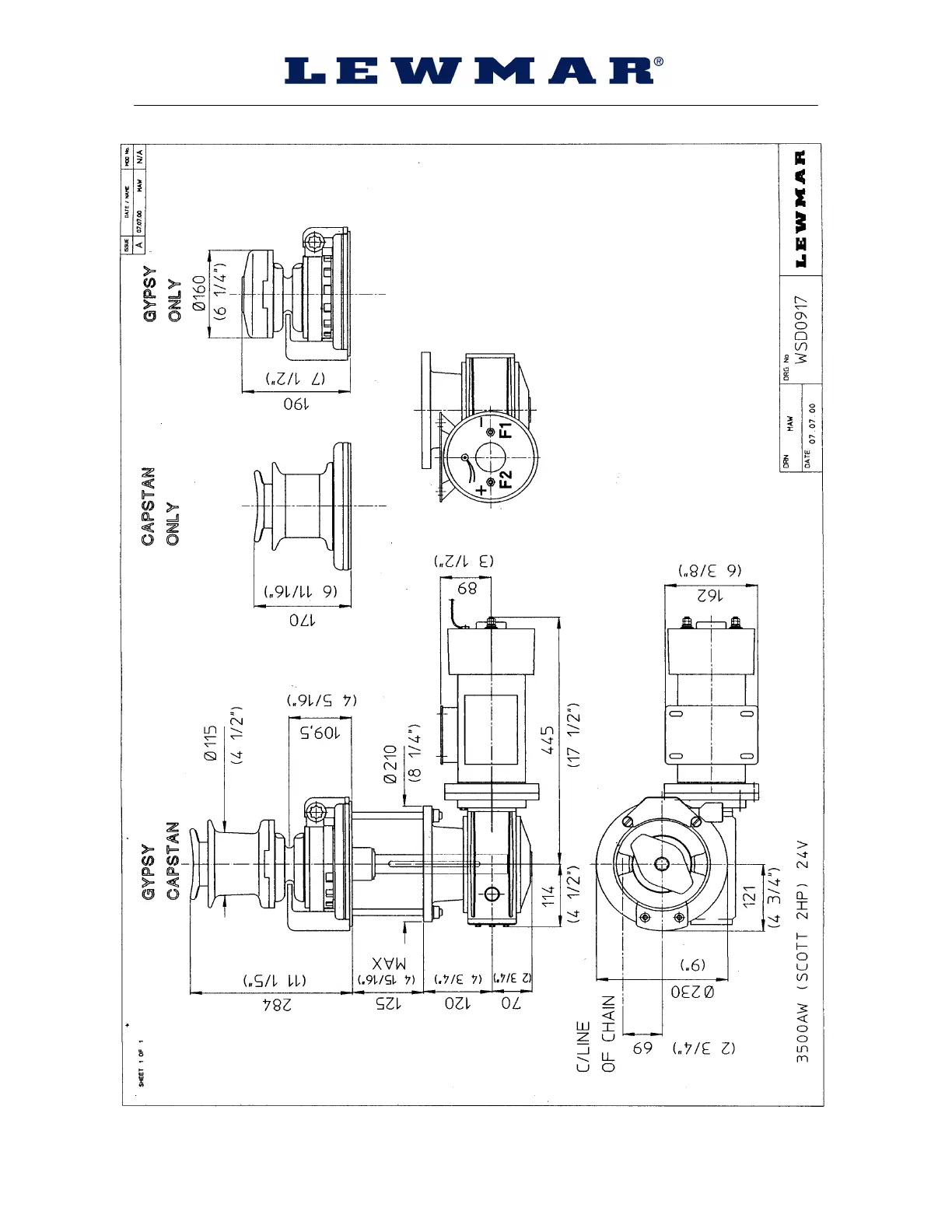
Lewmar 3500 - Electric Dimension Drawing

Lewmar 3500
23 pages
Print Icon
To Next Page IconTo Next Page
To Next Page IconTo Next Page
To Previous Page IconTo Previous Page
To Previous Page IconTo Previous Page
Loading...

Related product manuals