EasyManua.ls Logo

Lewmar Fish 700 - Wiring Diagram (Pre-Wired Control Box)

Lewmar Fish 700
16 pages
Print Icon
To Next Page IconTo Next Page
To Next Page IconTo Next Page
To Previous Page IconTo Previous Page
To Previous Page IconTo Previous Page
Loading...
Lewmar Pro-Series/Fish windlass ref B10414 iss.1 | 9
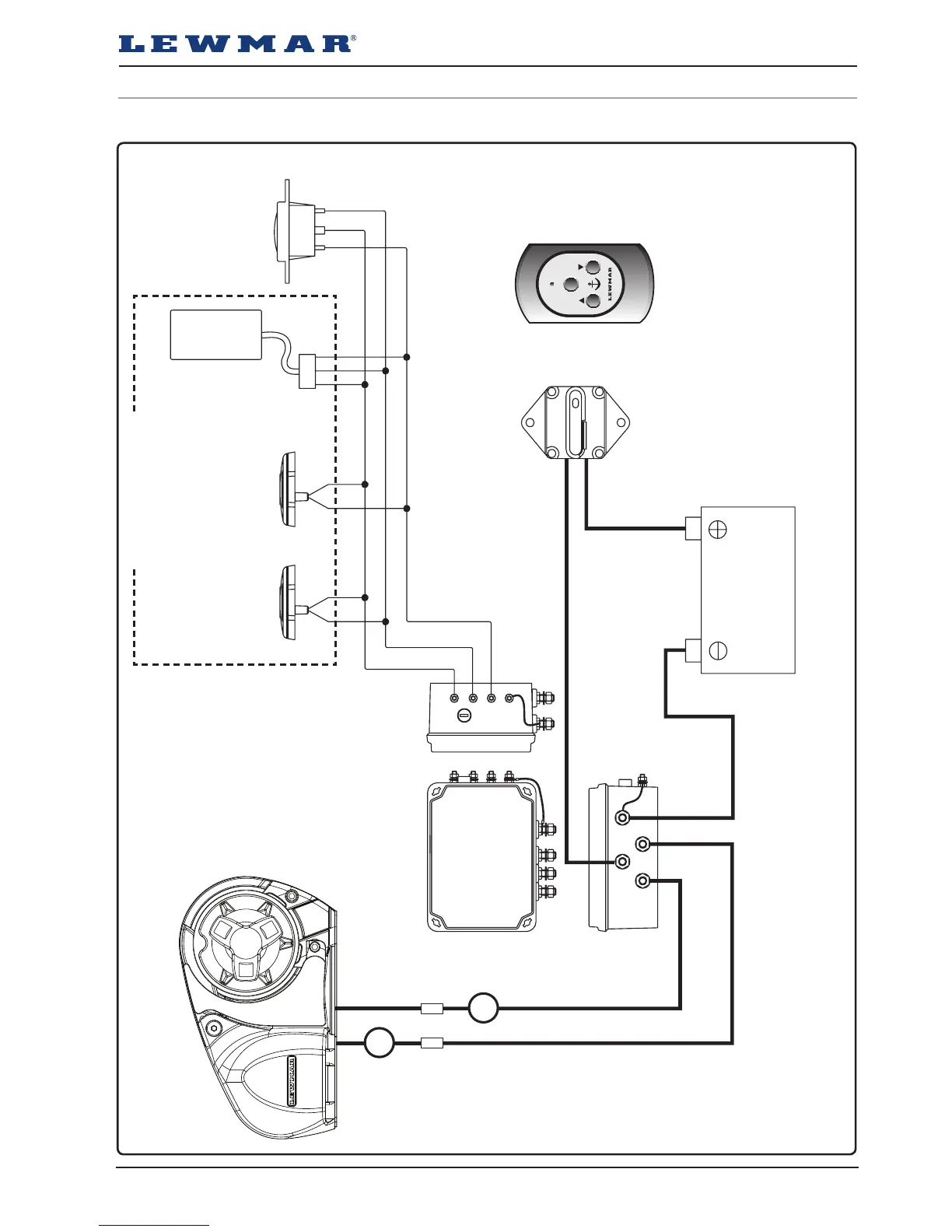
5.6 Wiring diagram if a pre-wired control box (Part No 68000963) is used
Installation instructions are supplied separately with any accessories.
ON
A
B
Pre-Wired
Control Box
(68000963)
Rocker Switch
(68000593)
UP DOWN
Remote Handheld Control
Electric Switches
UP DOWN
Circuit Breaker
(See § 4.2)
Battery
12 VDC
Cable Colours
A = Black
B = Red
Switch wire thickness: 1.5 mm
2
(16 AWG)
Optional accessories
Optional Wireless
Control Available
(See § 5.3)

Related product manuals