EasyManua.ls Logo

LG CM9550 - MIC & Portable Circuit Diagram

LG CM9550
85 pages
Print Icon
To Next Page IconTo Next Page
To Next Page IconTo Next Page
To Previous Page IconTo Previous Page
To Previous Page IconTo Previous Page
Loading...
3-63 3-64
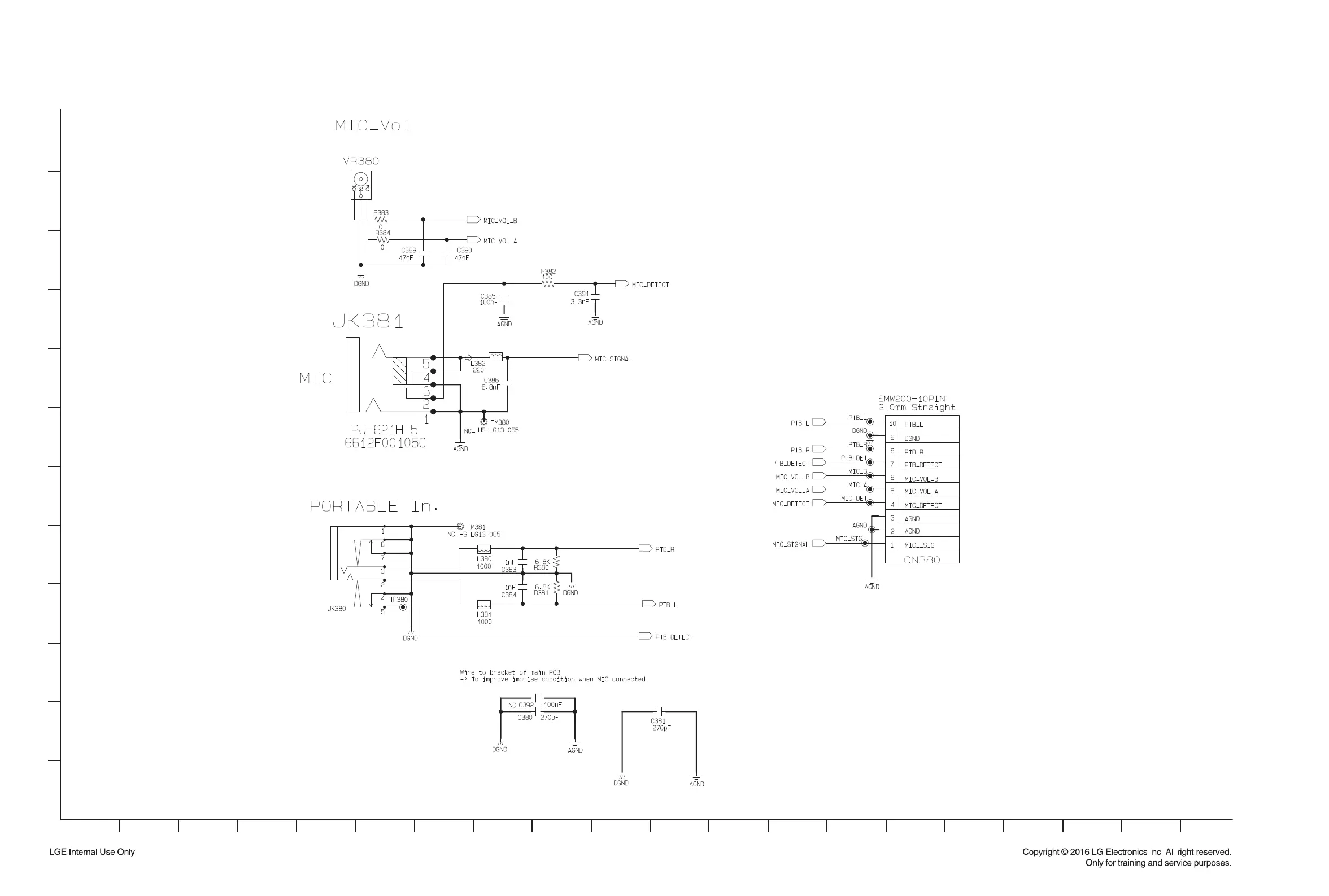
8. MIC & PORTABLE CIRCUIT DIAGRAM
A
1
2
3
4
5
6
7
8
9
10
11
12
B C D E F G H I J K L M N O P Q R ST
MIC & PORTABLE
EAX65589004-SD_Rev1_1.0
2015. 07. 14

Table of Contents

Other manuals for LG CM9550

Related product manuals