EasyManua.ls Logo

LG CM9550 - Front Speaker Sub Circuit Diagram

LG CM9550
85 pages
Print Icon
To Next Page IconTo Next Page
To Next Page IconTo Next Page
To Previous Page IconTo Previous Page
To Previous Page IconTo Previous Page
Loading...
3-67 3-68
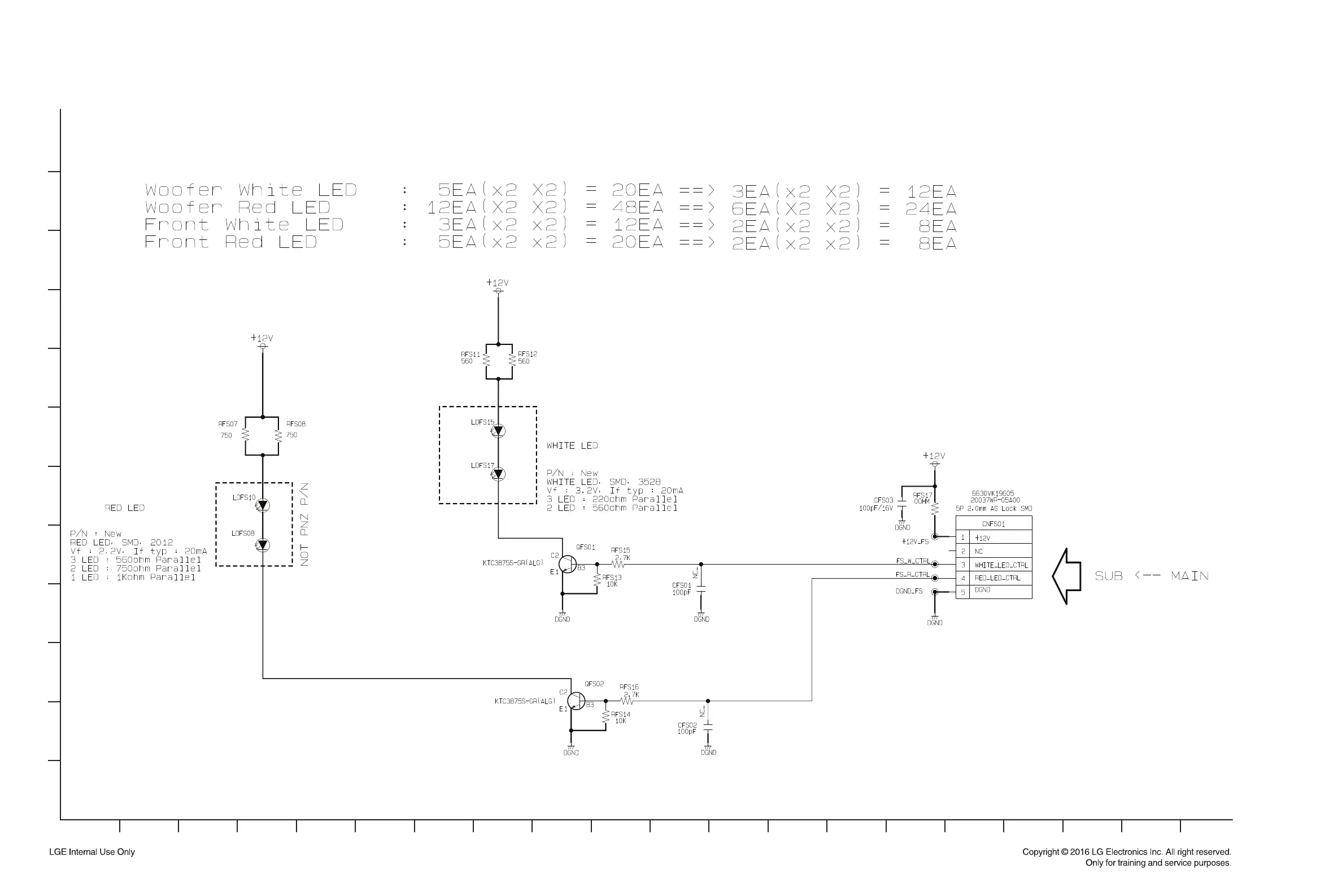
10. FRONT SPEAKER SUB CIRCUIT DIAGRAM
A
1
2
3
4
5
6
7
8
9
10
11
12
B C D E F G H I J K L M N O P Q R ST
FRONT SPK SUB
EAX65664201_6.1.3_F_SPK_LIGHTING_SUB_SD
2014. 01. 25

Table of Contents

Other manuals for LG CM9550

Related product manuals