EasyManua.ls Logo

LG CM9550 - Woofer Speaker Main Circuit Diagram

LG CM9550
85 pages
Print Icon
To Next Page IconTo Next Page
To Next Page IconTo Next Page
To Previous Page IconTo Previous Page
To Previous Page IconTo Previous Page
Loading...
3-69 3-70
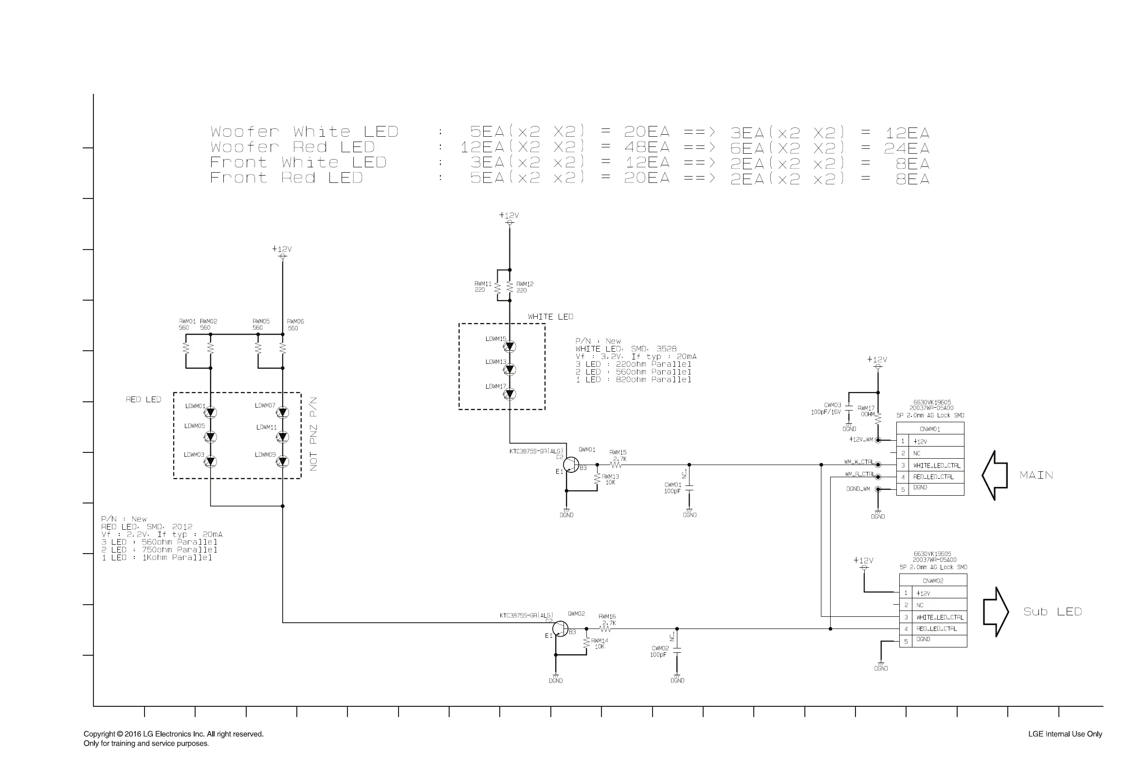
11. WOOFER SPEAKER MAIN CIRCUIT DIAGRAM
A
1
2
3
4
5
6
7
8
9
10
11
12
B C D E F G H I J K L M N O P Q R ST
WF MAIN
EAX65684301_6.1.3_SPK_LED_LIGHTING_SD
2014. 01. 25

Table of Contents

Other manuals for LG CM9550

Related product manuals