EasyManua.ls Logo

LG EV700 - Page 52

LG EV700
58 pages
Print Icon
To Next Page IconTo Next Page
To Next Page IconTo Next Page
To Previous Page IconTo Previous Page
To Previous Page IconTo Previous Page
Loading...
- 52 -
V-SYNC INPUT
AND POLARITY
CORRECTION
EW-OUTPUT
H-PINCUSHION
H-CORNER
H-TRAPEZIUM
H-SIZE
HUNLOCK
OUTPUT
V-POSITION
V-SIZE, VOVSCN
PROTECTION
AND SOFT START
COINCIDENCE DETECTOR
FREQUENCY DETECTOR
TV MODE
V-SYNC
INTEGRATOR
X-RAY
PROTECTION
EHT COMPENSATION
H-SIZE AND V-SIZE
VERTICAL
OSCILLATOR
AND AGC
V-OUTPUT
V-LINEARITY
V-LINEARITY BALANCE
SUPPLY
AND
REFERENCE
H-OUTPUT
STAGE
H/C-SYNC INPUT
AND POLARITY
CORRECTION
PLL1 AND
H-POSITION
HORIZONTAL
OSCILLATOR
PLL2, PARALLELOGRAM,
PIN UNBALANCE AND
SOFT START
I C-BUS
RECEIVER
I C-BUS REGISTERS
VIDEO
CLAMPING
AND V-BLANK
OUTPUT
ASYMMETRIC
EW-CORRECTION
FOCUS
HORIZONTAL
AND VERTICAL
B+
CONTROL
2
2
V-sync
(TTL level)
14
19
18
16
17
clamping
blanking
HUNLOCK
SDA
SCL
V+
9.2V to 16V
10
7
9
25
26 27 28 29
H/C-sync
(TTL level)
15
(video)
8.2 nF
10 nF
100 nF
4.7 k
R
HREF
R
HREF
(1)
1%
2%
30
12 nF
1
2
HFLB X-RAY XSEL
6
4
3
5
8
32
20
13
B+ CONTOL
APPLICATION
(2)
X-RAY
HDRV
or
V
OUT1
12
V
OUT2
EWDRVVSMOD HSMOD
7V
1.2V
113121222423
EHT compensation
via horizontal size
EHT compensation
via vertical size
100
nF
100
nF
5%
1%
22 k
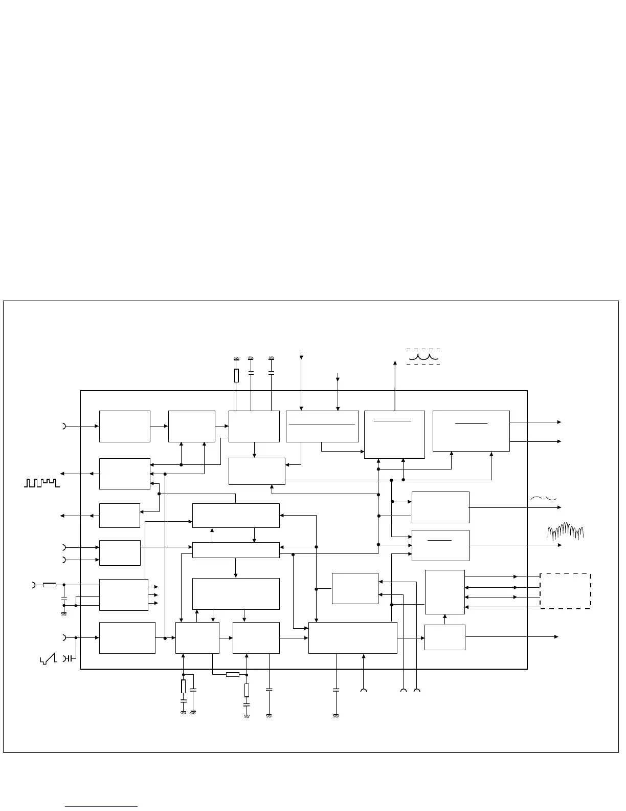
TDA4856
BLOCK DIAGRAM FOR TDA4856

Related product manuals