EasyManua.ls Logo

LG EV700 - Block Diagram; Overall System Block Diagram

LG EV700
58 pages
Print Icon
To Next Page IconTo Next Page
To Next Page IconTo Next Page
To Previous Page IconTo Previous Page
To Previous Page IconTo Previous Page
Loading...
- 11 -
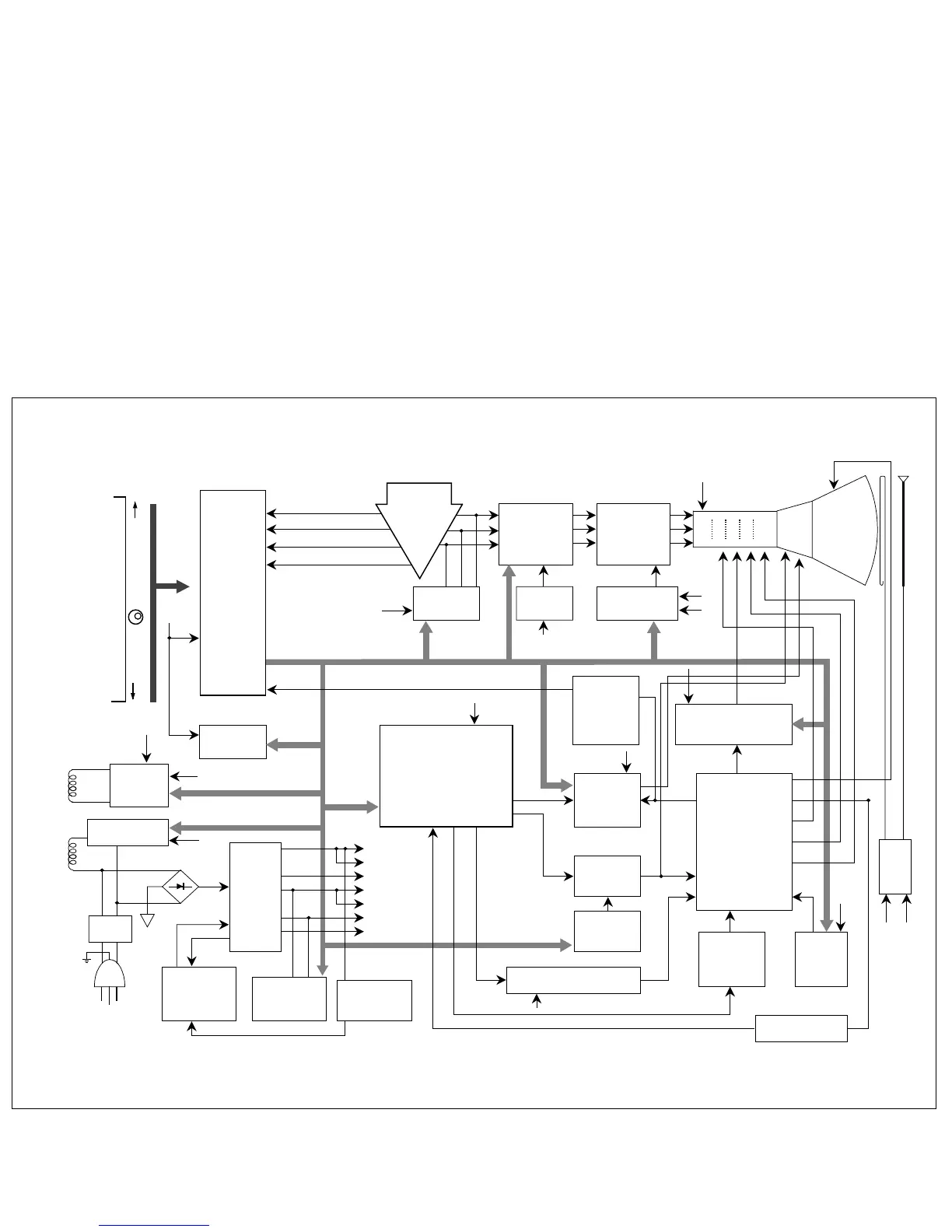
BLOCK DIAGRAM
POWER INPUT
100~240VAC
(50/60Hz)
Line
Filter
Degaussing
Circuit
SMPS
TRANS
(T901)
SMPS
CONTROL
(IC901)
DPM
CONTROL
CIRCUIT
160V
125V
70V
15V
12V
6.3V
5V
TILT
Control
Circuit
6.3V
15V
E
2
PROM
(IC402)
5V
OSD IC
(IC303)
H-Sync Sig
V-Sync Sig
I
2
C DATA(SDA)
I
2
C CLOCK(SCL)
VIDEO
PRE-AMP
(IC302)
Signal
Cable
R
G
B
VIDEO
MAIN AMP
(IC303)
8V REG.
(IC304)
8V
12V
CUT OFF
CONTROL
125V
8V
5V
H/V Sync Processor
( IC701 )
TDA4856
V-OUT
( IC601)
TDA4866
H-OUT
( Q706)
H-Linearity
Correction
DC/DC Converter
X-RAY
Protection
Circuit
FBT
( T701 )
Dynamic
Focus
Circuit
Auto
Beam
Limit
Vertical Blanking,
Brightness Control
- 120V
40V
6.3V
D/D Feed Back
TCO
30V
12V
160V
15V
MICOM
(IC401)
SCL / SDA
H/V Sync,
PWM Control
Sig
12V
15V
160V
DY CDT
Heater ( 6.3V )
I
2
C
I
2
C
I
2
C
H/V
Sync
G
1
Screen
Dynamic Focus
Static Focus
H.V
R/G/B
Bias
R/G/B
Contrast
H-DRV
B-DRV
B+
15V
TILT
COIL
DEGAUSSING
COIL
I
2
C
VOLTAGE
FEEDBACK
12V
CONTRAST
BRIGHTNESS
H-SIZE
H-POSITION
V-SIZE
V-POSITION
S-PCC
TRAP
DEGAUSS
RECALL
ADVANCED OPTION
COLOR
LANGUAGE
INFORMATION
OSD POSITION
EXIT
<OSD DISPLAY>
Sense

Related product manuals