EasyManua.ls Logo

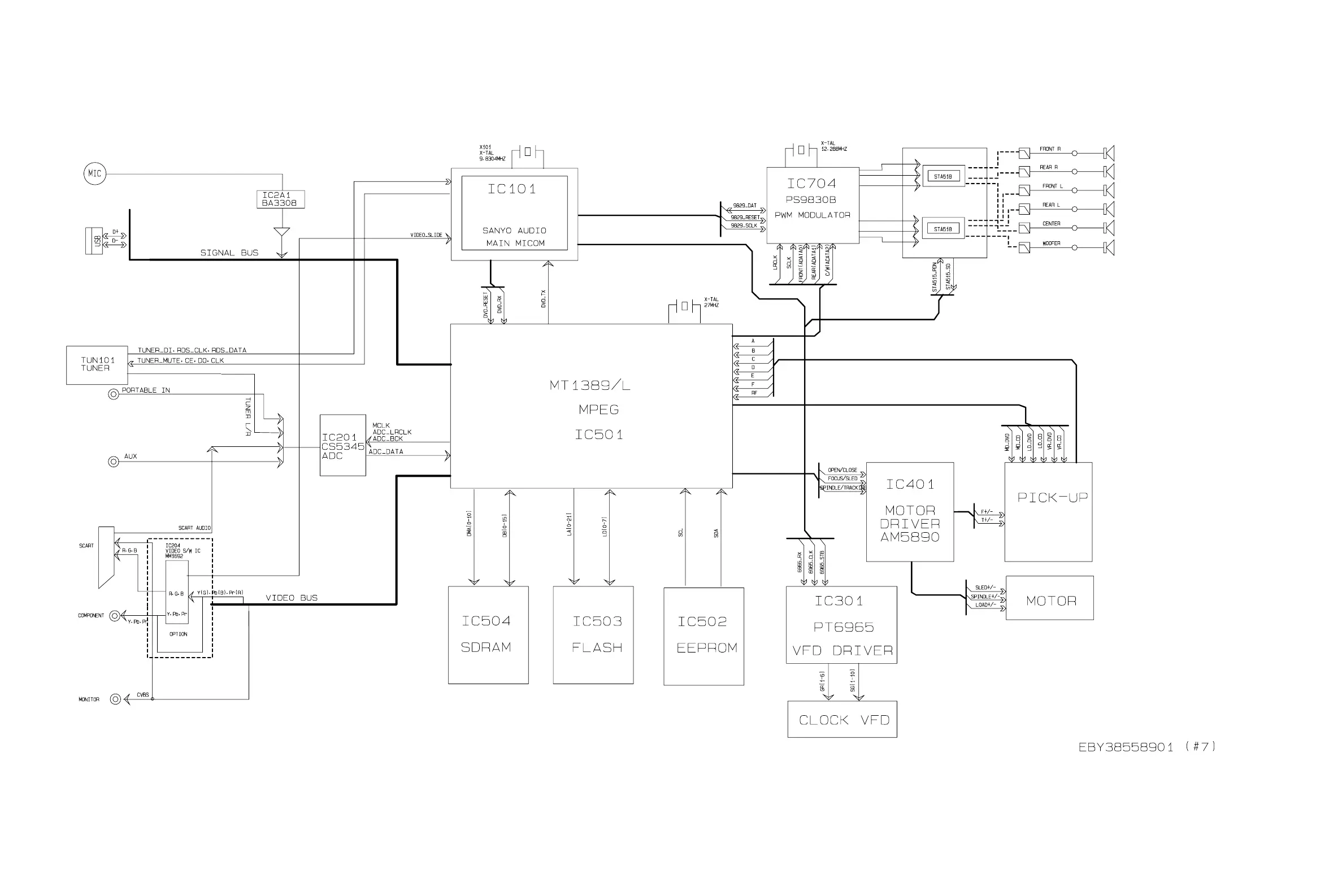
LG HT353SD-A2 - Overall System Block Diagram

LG HT353SD-A2
81 pages
Print Icon
To Next Page IconTo Next Page
To Next Page IconTo Next Page
To Previous Page IconTo Previous Page
To Previous Page IconTo Previous Page
Loading...
Copyright © 2008 LG Electronics. Inc. All right reserved.
Only for training and service purposes
LGE Internal Use Only
2-47 2-48
OVERALL BLOCK DIAGRAM
2007. 11. 30

Other manuals for LG HT353SD-A2

Related product manuals