EasyManua.ls Logo

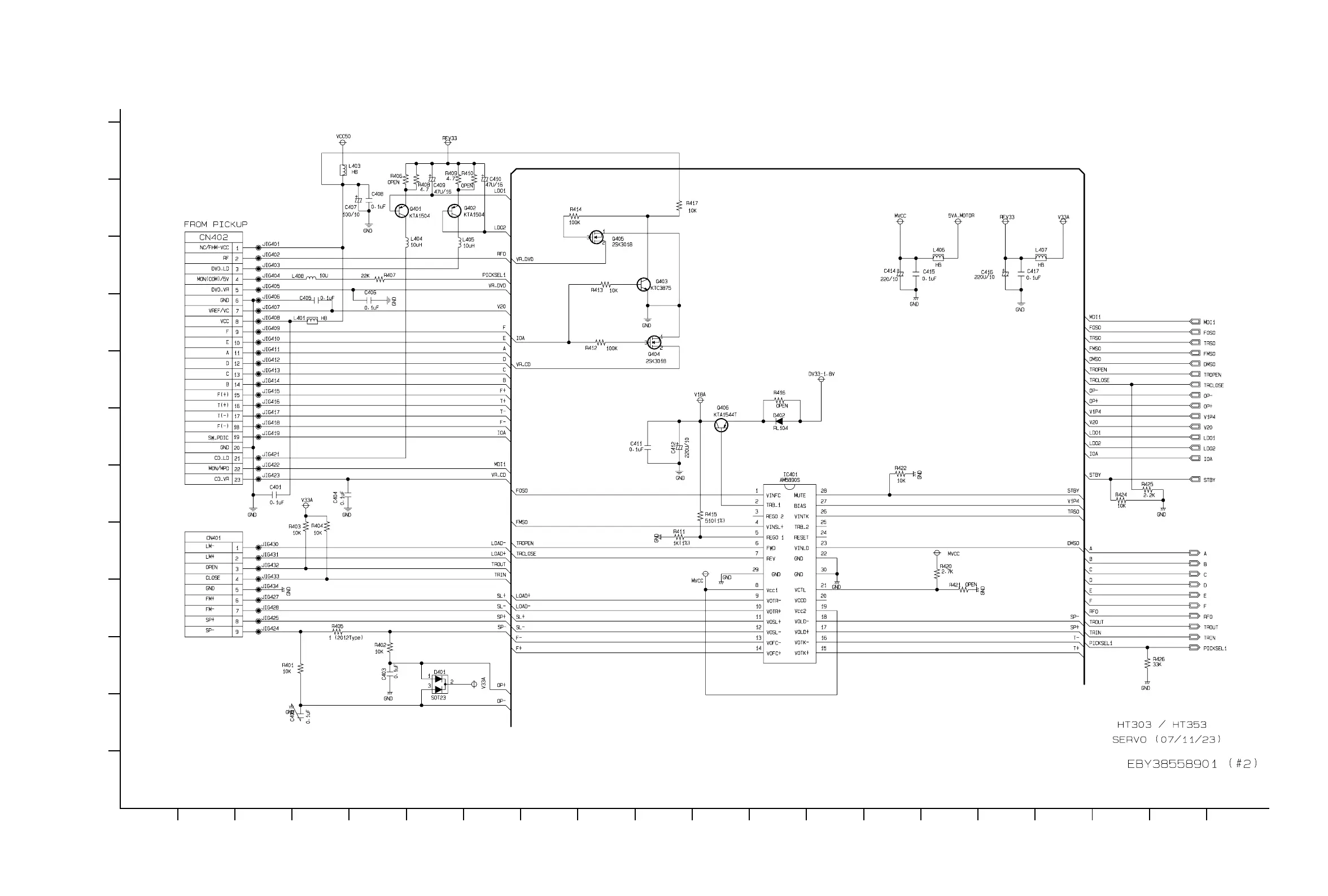
LG HT353SD-A2 - Servo Circuit Diagram

LG HT353SD-A2
81 pages
Print Icon
To Next Page IconTo Next Page
To Next Page IconTo Next Page
To Previous Page IconTo Previous Page
To Previous Page IconTo Previous Page
Loading...
Copyright © 2008 LG Electronics. Inc. All right reserved.
Only for training and service purposes
LGE Internal Use Only
2-53 2-54
3. SERVO CIRCUIT DIAGRAM
2007. 11. 30
A
1
2
3
4
5
6
7
8
9
10
11
12
B C D E F G H I J K L M N O P Q R ST

Other manuals for LG HT353SD-A2

Related product manuals