EasyManua.ls Logo

LG HT353SD - Page 55

LG HT353SD
81 pages
Print Icon
To Next Page IconTo Next Page
To Next Page IconTo Next Page
To Previous Page IconTo Previous Page
To Previous Page IconTo Previous Page
Loading...
Copyright © 2008 LG Electronics. Inc. All right reserved.
Only for training and service purposes
LGE Internal Use Only
2-47 2-48
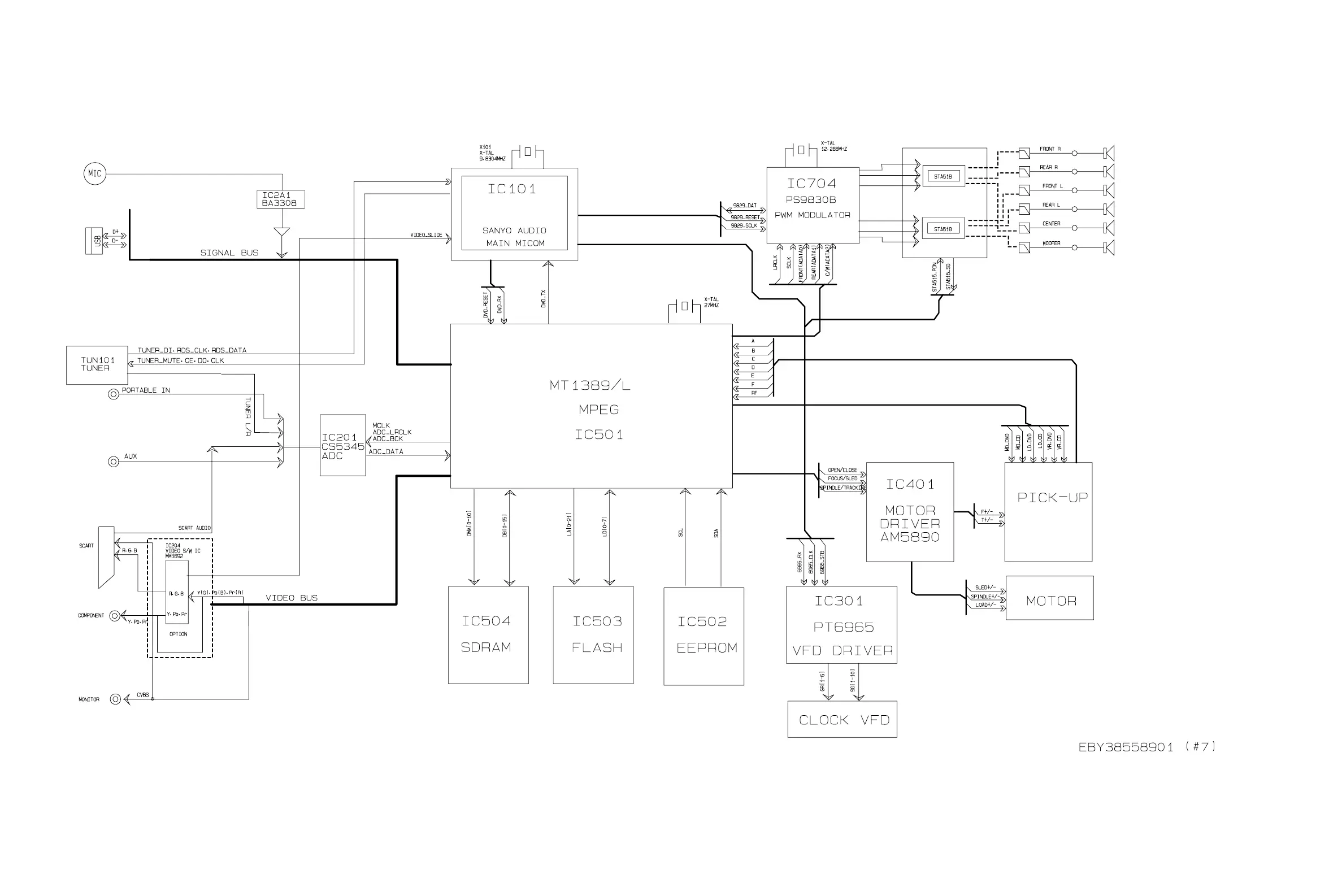
OVERALL BLOCK DIAGRAM
2007. 11. 30

Other manuals for LG HT353SD

Related product manuals