EasyManua.ls Logo

LG MULTI V IV ARUN072BTE4 - Page 60

LG MULTI V IV ARUN072BTE4
132 pages
To Next Page IconTo Next Page
To Next Page IconTo Next Page
To Previous Page IconTo Previous Page
To Previous Page IconTo Previous Page
Loading...
61
Product Data
Due to our policy of continuous product innovation, some specifications may change without notification.
©LG Electronics U.S.A., Inc., Englewood Cliffs, NJ. All rights reserved. “LG” is a registered trademark of LG Corp.
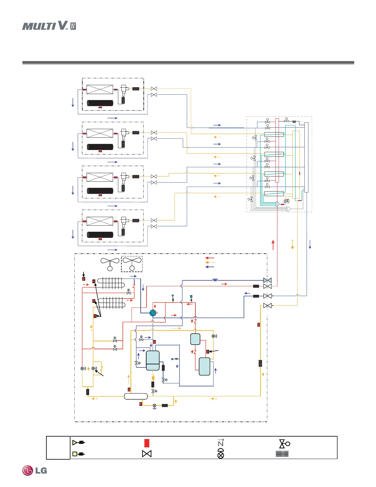
Upper HEX Defrost OperationARUB072BTE4 / 072DTE4, ARUB096BTE4 /
096DTE4, ARUB121BTE4 / 121DTE4
Indoor HEX
Fan
Indoor Unit
EEV
Indoor HEX
Fan
Indoor Unit
EEV
Indoor HEX
Fan
Indoor Unit
EEV
Indoor HEX
Fan
Indoor Unit
EEV
s
s
s
s
s
s
s
s
s
s
s
s
s
HR Unit
Accum
Inverter
Comp1
Oil
Separator
Receiver
Outdoor
Temperature
Sensor
Outdoor unit
HEX Temperature
Sensor
Upper
Hot Gas Valve
Low
Hot Gas Valve
Upper
Outdoor
EEV
Sub-cooling Circuit
Outlet Temperature
Sensor
Liquid Pipe
Temperature
Sensor
Comp
Discharge
Temperature
Sensor
Suction
Temperature
Sensor
Sub-cooling Circuit
Inlet Temperature
Sensor
Pressure
Switch
High Pressure
Sensor
4-Way Valve
Low
Pressure
Sensor
Oil Return
Receiver
Outlet
SC Suction
Comp
Vapor
Injection
Receiver
Inlet
Sub-cooling
Active Path
High Temperature High Pressure Gas
High Temperature High Pressure Liquid
Low Temperature Low Pressure Gas
Charging Port
Liquid Pipe
Sub-Cooling HEX
Fan
S
S
S
S
S
S
S
M
*8 ton and 10 ton units have 2 fans
Fan
M
*
Low Pressure Gas Pipe
High Pressure Gas Pipe
EEV
Upper
Low
ss
Check Valve
EEV
Solenoid Valve
SVC Valve
Pressure Sensor
Pressure Switch
Temperature Sensor
Remarks
Strainer
HEAT RECOVERY REFRIG. CIRCUIT

Related product manuals