EasyManua.ls Logo

LG MULTI V IV ARUN072BTE4 - Page 66

LG MULTI V IV ARUN072BTE4
132 pages
To Next Page IconTo Next Page
To Next Page IconTo Next Page
To Previous Page IconTo Previous Page
To Previous Page IconTo Previous Page
Loading...
67
Product Data
Due to our policy of continuous product innovation, some specifications may change without notification.
©LG Electronics U.S.A., Inc., Englewood Cliffs, NJ. All rights reserved. “LG” is a registered trademark of LG Corp.
ARUB144BTE4 / 144DTE4,
ARUB168BTE4 / 168DTE4
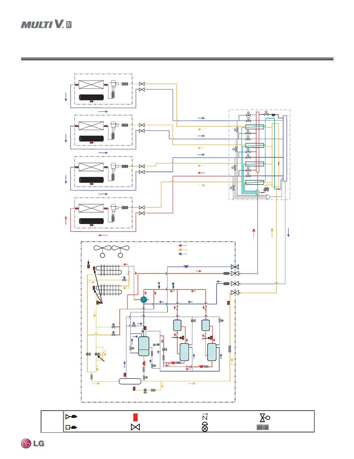
Cooling-based Simultaneous Operation
Indoor HEX
Fan
Indoor Unit
EEV
Indoor HEX
Fan
Indoor Unit
EEV
Indoor HEX
Fan
Indoor Unit
EEV
Indoor HEX
Fan
Indoor Unit
EEV
s
s
s
s
s
s
s
s
s
s
s
s
s
HR Unit
*8 ton and 10 ton units have 2 fans
Accum
Receiver
Outdoor
Temperature
Sensor
Outdoor Unit
HEX Temperature
Sensor
Upper
Hot Gas Valve
Low
Hot Gas Valve
Upper
Outdoor
EEV
Sub-cooling Circuit
Outlet Temperature
Sensor
Liquid Pipe
Temperature
Sensor
Comp1
Discharge
Temperature
Sensor
Comp2
Discharge
Temperature
Sensor
Suction
Temperature
Sensor
Sub-cooling Circuit
Inlet Temperature
Sensor
Pressure
Switch
High Pressure
Sensor
4-Way Valve
Low
Pressure
Sensor
Oil Return
Oil
Balance
Receiver
Outlet
SC Suction
Comp1
Vapor
Injection
Comp2
Vapor
Injection
Receiver
Inlet
Sub-cooling
Charging Port
Active Path
Fan
Sub-Cooling HEX
Liquid Pipe
Inverter
Comp2
Inverter
Comp1
Oil
Separ
-ator
Oil
Separ
-ator
High Temperature High Pressure Gas
High Temperature High Pressure Liquid
Low Temperature Low Pressure Gas
MM
Low Pressure Gas Pipe
High Pressure Gas Pipe
Accum
Receiver
Sensor
Oil
Balance
Fan
Sub-cooling HEX
Liquid Pipe
Inverter
Comp2
Inverter
Comp1
Oil
Separ
-ator
Oil
Separ
-ator
MM
Low Pressure Gas Pipe
High Pressure Gas Pipe
EEV
Upper
Low
ss
Check Valve
EEV
Solenoid Valve
SVC Valve
Pressure Sensor
Pressure Switch
Temperature Sensor
Remarks
Strainer
HEAT RECOVERY REFRIG. CIRCUIT

Related product manuals