EasyManua.ls Logo

LG Multi V ZRUM080LTE6 - Page 48

LG Multi V ZRUM080LTE6
320 pages
Print Icon
To Next Page IconTo Next Page
To Next Page IconTo Next Page
To Previous Page IconTo Previous Page
To Previous Page IconTo Previous Page
Loading...
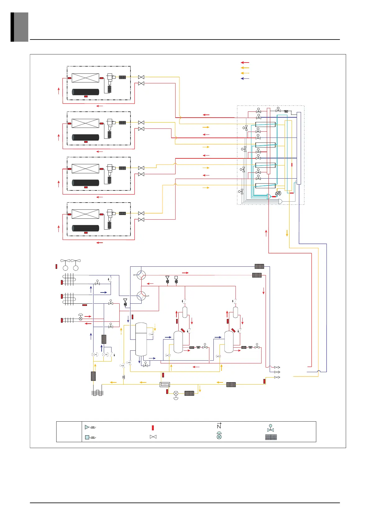
ZRUM180LTE6, ZRUM200LTE6
s
s
s
s
s
s
s
s
s
s
s
s
s
HR unit
s
s
s
s
s
s
s
s
s
EEV
Indoor Unit
Indoor HEX
Fan
EEV
Indoor Unit
Indoor HEX
Fan
EEV
Indoor Unit
Indoor HEX
Fan
EEV
Indoor Unit
Indoor HEX
Fan
M
M
Fan
Motor
Outdoor
Sensor
Temperature
Outdoor Unit HEX
Outdoor Unit HEX
Temperature Sensor
Outdoor Unit HEX
Temperature Sensor
Temperature Sensor
Bypass EEV
Bypass Temp
Low Hot
Vapor Valve
High Pressure
Sensor
4-Way Valve 2
Suction
4-Way Valve 1
Sensor
Receiver
Temperature
Receiver
Outlet
Low
Pressure Sensor
Oil
Balance
Oil
Balance
Comp 1
Discharge
Comp 2
Discharge
Temperatue Sensor
Oil Separator
Temperatue Sensor
Oil Separator
Liquid Pipe
Temperature Sensor
Low Pressure Vapor Pipe
High Pressure Vapor Pipe
Liquid Pipe
Inverter
Comp 1
Inverter
Comp 2
Sub-Cooling Circuit
Sub-Cooling HEX
Sub-Cooling Circuit Inlet
Outlet Temperature Sensor
SC
Temperature Sensor
EEV
Accum
Pressure Switch
Upper Hot
Upper Outdoor EEV
Low Outdoor
EEV
Receiver
Inlet
SC
Vapor Valve
Suction
Oil Return
Heatsink
Active Path
Valve
Comp 1 Vapor
Injection Injection
Comp 2 Vapor
Pressure Sensor
Pressure Switch
Remarks
Temperature Sensor
SVC Valve
Check Valve
EEV
Solenoid Valve
Strainer
High Temperature High Pressure Vapor
High Temperature High Pressure Liquid
High Temperature High Pressure Liquid (Conditional)
Low Temperature Low Pressure Vapor
Comp 1
Dome
Sensor
Temperature
Comp 2
Dome
Sensor
Temperature
Multi V i
5. Piping Diagrams
Product Data
5-14