EasyManua.ls Logo

LGMG AS0607 - Page 64

Default Icon
68 pages
Print Icon
To Next Page IconTo Next Page
To Next Page IconTo Next Page
To Previous Page IconTo Previous Page
To Previous Page IconTo Previous Page
Loading...
www.lgmgeurope.com
AS0808 / AS0808E / AS0812 / AS0812E / AS1012 / AS1012E / AS1212 / AS1212E / AS1413
64
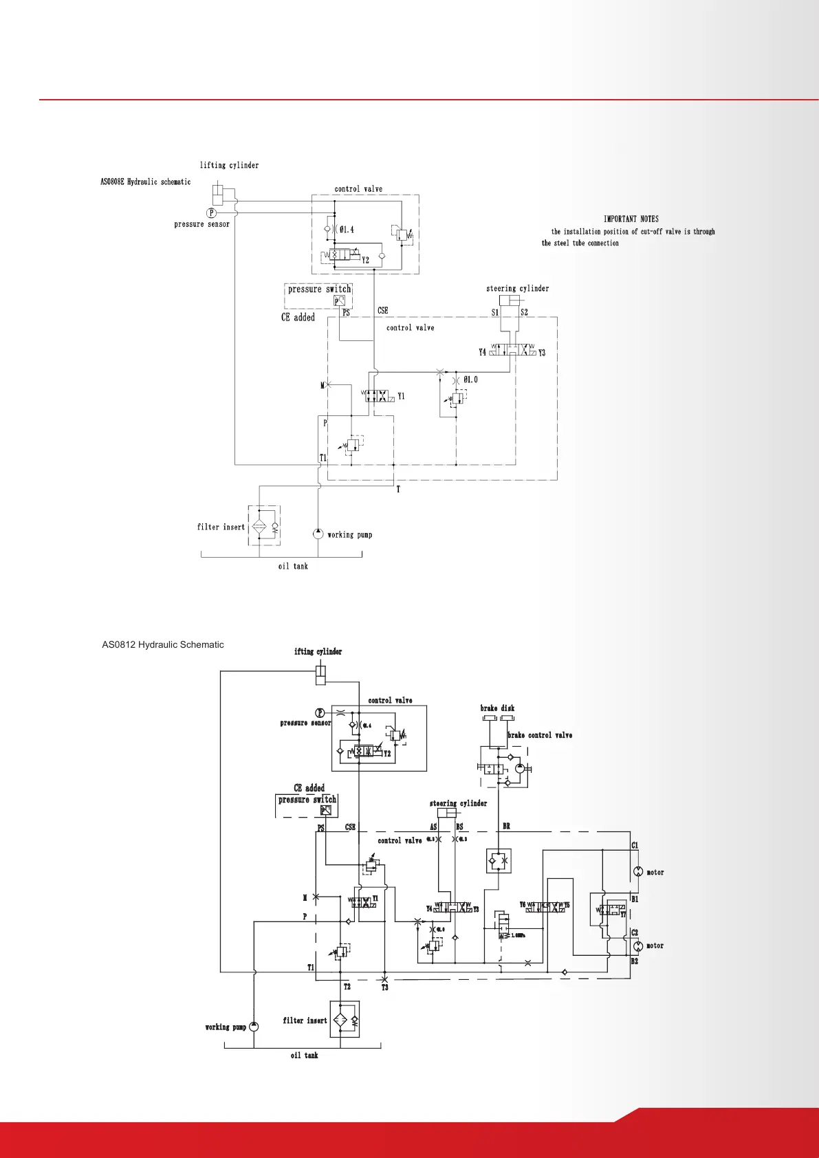
Chapter 13 - Hydraulic diagram
mo t o r
f i l t e r i ns e r t
ste e r i n g c yl i n d e r
b r a k e co nt r o l v alv e
b r a k e di sk
M
m o t o r
B1
C2
B 2
co n t r o l v al v e
T2
T3
T1
P
B R
AS
B S
C S E
C1
Y1
Y4
Y3
Y7
Y5
Y6
w o r k i n g pu m p
o i l t ank
ifting cylinde r
Y 2
con t r o l va lv e
P
p r e s s u re s e n s o r
PS
P
pressure switch
CE added
Φ
1.0
Φ
1.3
Φ
1.3
1.03MPa
Φ
1.4
AS0812 Hydraulic Schematic
Operation Manual of Elevating Work Platform
94

Other manuals for LGMG AS0607

Related product manuals