EasyManua.ls Logo

Linde H 70 D - Operation of Control Valve Block N = Power Limiter

Linde H 70 D
282 pages
Print Icon
To Next Page IconTo Next Page
To Next Page IconTo Next Page
To Previous Page IconTo Previous Page
To Previous Page IconTo Previous Page
Loading...
Service Training
Page 4.2
Section 23
09.04
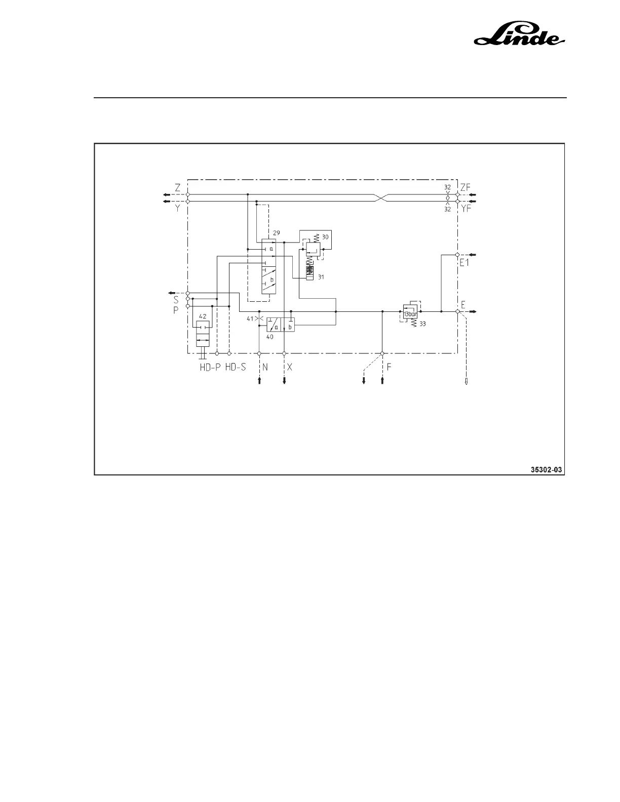
The feed pressure oil flows via E1 and E through control valve block N, goes through travel control unit P
from port E to F and returns to the control valve block through port F. The feed pressure valve (26) stabilizes
a pressure of 17.5 bar at port F, which is fed to the remote control of the hydraulic motors through an oil
line.
Valve (33), which is connected in parallel to ports E and F of the control valve block, opens at a differential
pressure of 13 bar. This allows a part of the oil flow to go to the travel control unit while the remainder
continues through valve (33) to the feed oil passage. The pressure at port E goes to the HMV hydraulic
motors via a line as pilot pressure. The setting of valve (29) is determined by the differential pressure
between Y and Z. If, due to the selection of a travel direction, a higher pressure exists at Z, valve (29) is
shifted to position (a) and the higher pressure Y goes to the pressure reducing valve (30). At the same time
the pressure applied through valve (40), which is switched to position b by the feed pressure, goes to the
hydraulic motor remote control through port X.
When the pressure ranges from 4 to 10 bar, the differential pressure between Y and Z modulates the pilot
valve (23) with the servo piston (24) and sets the pump from zero delivery to Q
max
with control piston (22).
The same pressure also adjusts the hydraulic motors from Q
max
to Q
min
when the pressure ranges from 7
to 10 bar.
4.2.2.2 OPERATION OF CONTROL VALVE BLOCK N = POWER LIMITER
Remote control
Feed
Travel control unit
Feed pump
Travel control
unit
HMV HMVHMV Travel control unitEngine speed
control cylinder

Table of Contents

Related product manuals