EasyManua.ls Logo

Linde H 70 D - Lock-Out Logic - Reversing Lock

Linde H 70 D
282 pages
Print Icon
To Next Page IconTo Next Page
To Next Page IconTo Next Page
To Previous Page IconTo Previous Page
To Previous Page IconTo Previous Page
Loading...
Service Training
Page 4.2
Section 26
09.04
at the pressure balance in the working hydraulics way valve block. This causes the pressure balance to
close, thus increasing the pressure of the oil flow of the working hydraulic pump (27). The power required
from the engine prevents the rpm from rising too high during braking.
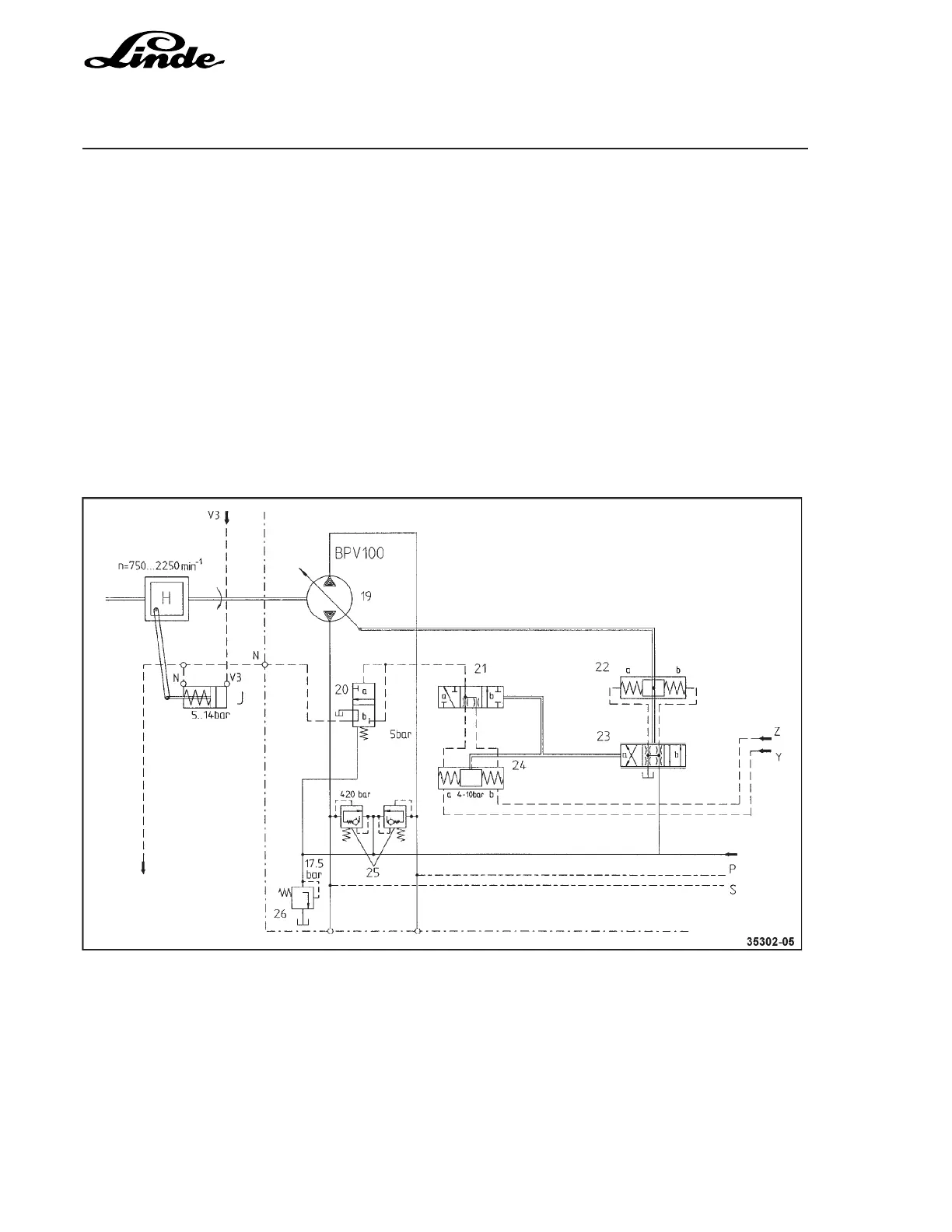
4.2.2.5 LOCK-OUT LOGIC - REVERSING LOCK
When the direction of travel is reversed quickly, the differential pressure changes from Y/Z to Z/Y faster
than the pump can follow. At the same time the speed signal is set by travel control unit P through port VF
to speed control cylinder J for maximum engine speed. Simultaneously, the signal for Q
min
is applied to port
X of the hydraulic motors.
d
As the inertia of the truck drives the engine via the hydraulic motors and pump and lets the engine
overspeed during braking, the braking distance would be very long. The specified braking delay is
achieved through the auxiliary braking and during reversing the reversing lock also becomes effective.
EXPLANATION
When the pilot pressure for pump and engine control is preselected at Y by depressing the related
accelerator pedal, it goes to spring chamber (a) in the servo piston (24), while the constant feed pressure
is applied in spring chamber (b). This causes the spool to move to (b), shifting the pilot valve to position
(a) by means of the mechanical connection. This allows the constant pressure of 17.5 bar to go into spring
chamber (a) of the control piston (22) through valve (23). The piston shifts to (b), causing the pump to
upstroke and valve (21) to move to position (a). The pressure of 17.5 bar existing in spring chamber (b)

Table of Contents

Related product manuals