EasyManua.ls Logo

Liquid Controls PT Series - Page 22

Default Icon
40 pages
Print Icon
To Next Page IconTo Next Page
To Next Page IconTo Next Page
To Previous Page IconTo Previous Page
To Previous Page IconTo Previous Page
Loading...
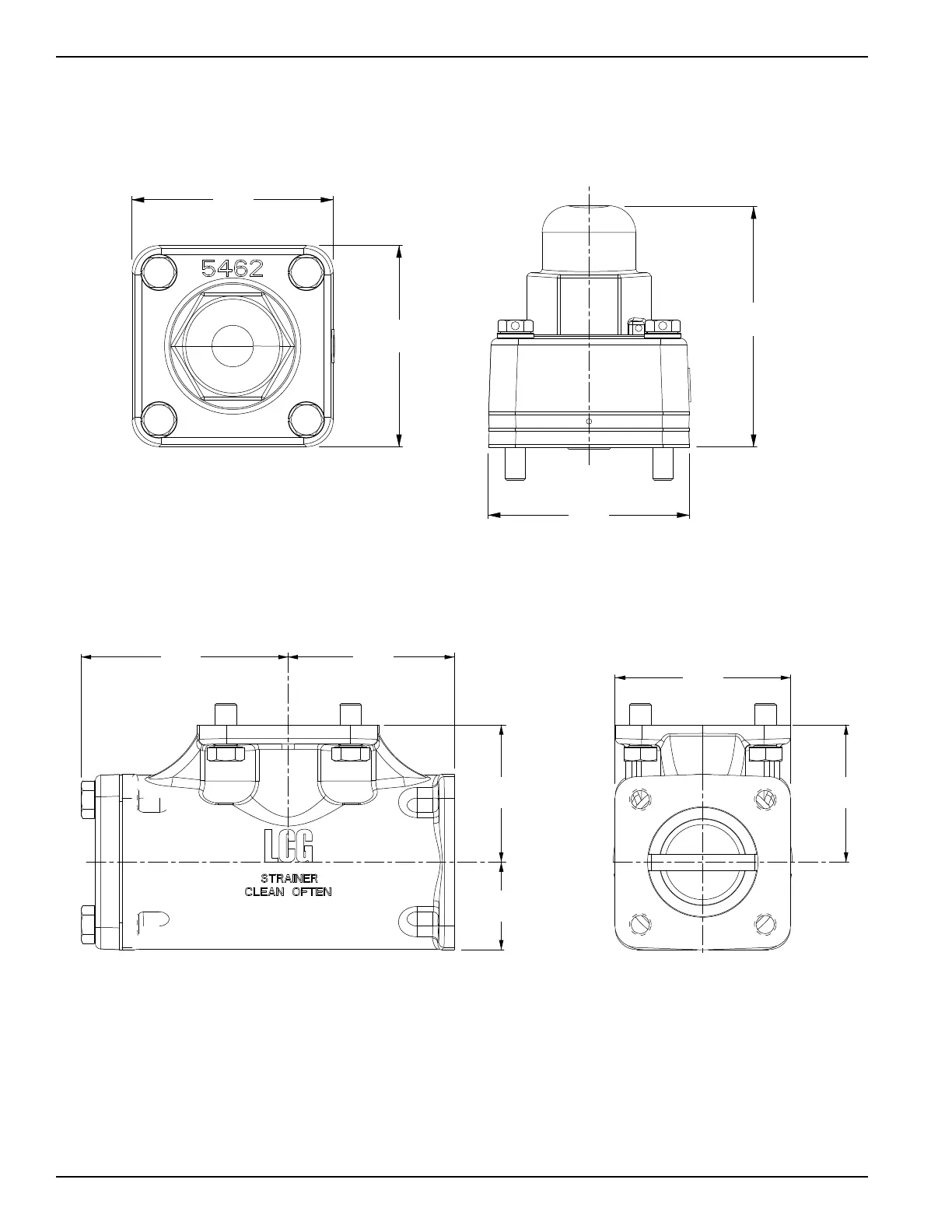
Appendix D—Outline Dimensions for Air Operated Valve and Strainer
5462-1XA Air Operated Valve (AOV) Assembly for the PT/PTH25 Pumps
4689-X Strainer Assembly for the PT/PTH25 Pumps
4.761
(12.09)
3.825
(9.62)
3.155
(8.01)
3.155
(8.01)
4.040
(10.26)
2.020
(5.13)
3.75
(9.53)
3.75
(9.53)
3.75
(9.53)
4.48
(11.38)
Inches (centimeters)
Inches (centimeters)
22