EasyManua.ls Logo

Lochinvar 151 - Page 43

Lochinvar 151
76 pages
Print Icon
To Next Page IconTo Next Page
To Next Page IconTo Next Page
To Previous Page IconTo Previous Page
To Previous Page IconTo Previous Page
Loading...
Installation & Operation Manual
43
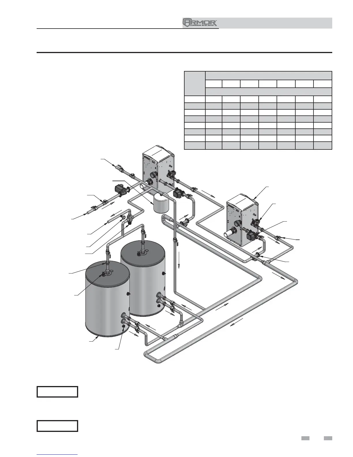
6 System piping (continued)
FLOW CHECK
VALVE (TYPICAL)
BALL VALVE
(TYPICAL)
EXPANSION
TANK
THERMOMETER
COLD WATER
SUPPLY
HOT WATER
SUPPLY
BUILDING
RETURN
DRAIN
(TYPICAL)
TEMPERATURE
& PRESSURE
RELIEF VALVE
(TYPICAL)
FLOW
SWITCH
(TYPICAL)
WATER HEATER
CIRCULATOR
(TYPICAL)
STORAGE TANK
(TYPICAL)
WATER
HEATER
(TYPICAL)
UNION
(TYPICAL)
MIXING VALVE
Y-STRAINER
(RECOMMENDED)
Figure 6-8 Double Heater - Double Tank
NOTICE
Please note that these illustrations are meant to show system piping concept only, the installer is responsible
for all equipment and detailing required by local codes.
Model
Number of Units
2345678
Required Pipe Sizes in NPT
151 1 1/2" 2" 2" 2" 2 1/2" 3" 3"
200 1 1/2" 2" 2 1/2" 2 1/2" 3" 3" 4"
286 2" 2 1/2" 2 1/2" 3" 3" 4" 4"
400 2 1/2" 3" 3 1/2" 4" 4" 5" 5"
501 3" 3 1/2" 4" 5" 5" 5" 6"
601 3" 3 1/2" 4" 5" 5" 5" 6"
701 3" 4" 5" 5" 6" 6" 6"
801 3" 4" 5" 6" 6" 6" 6"
The piping will not support the weight of the water heater circulator pump. Do not attempt to support
the weight of the water heater circulator pump with the piping or its accessories. Refer to the pump
manufacturer’s installation instructions. Failure to comply could result in severe personal injury, death, or
substantial property damage.
CAUTION

Table of Contents

Related product manuals