EasyManua.ls Logo

Loewe bild c.32 - Kaukosäätimen Painikkeiden Sijoittelu

Loewe bild c.32
Print Icon
To Next Page IconTo Next Page
To Next Page IconTo Next Page
To Previous Page IconTo Previous Page
To Previous Page IconTo Previous Page
Loading...
31
deutsch
suomi
Loewe bild c | Käyttöopas
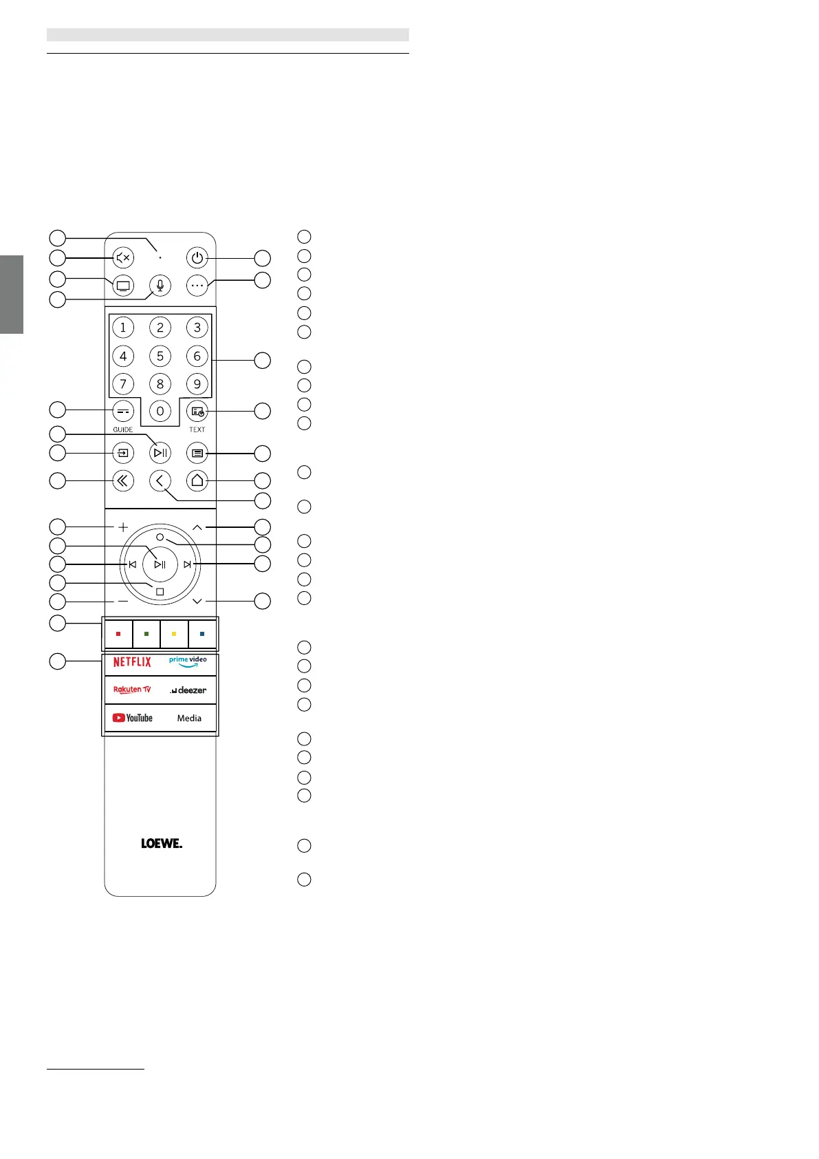
Kaukosäätimen painikkeiden sijoittelu
Sovelluksesta (TV / video / ääni / valokuva / sovellukset) ja toiminnosta (esimerkiksi dr+, EPG, teksti-tv, HbbTV jne.) riippuen näppäinvaraus voi poiketa
tässä kuvatusta varauksesta.
1
Mikrofoni
2
Äänen mykistys / ääni päällä.
3
Siirry TV-tilaan.
4
Paina ja pidä painettuna puhuaksesi ääniavustajalle.
5
EPG (sähköinen ohjelmaopas) päällä / pois.
6
Lyhyt painallus: Toista / keskeytä media tai käynnistä / keskeytä / jatka ajansiirto.
Pitkä painallus: Näytä valaistut medianohjauspainikkeet.
7
Siirry lähde-valikkoon.
8
Poistu esitetystä valikosta / sovelluksesta.
9
Lisää äänenvoimakkuutta.
10
Kun ei ole valaistu: Siirry kanavaluetteloon.
Kun on valaistu: Toista / keskeytä media tai käynnistä / keskeytä / jatka ajansiirtoa.
Valikossa. OK-painike (vahvista valinta)
11
Kun ei ole valaistu: Siirry vasemmalle valikossa / keskeytä / jatka ajansiirtoa.
Kun on valaistu: Hyppää taaksepäin
12
Kun ei ole valaistu: Siirry alas valikossa tai avaa hakuvalikko.
Kun on valaistu: Pysäytä / lopeta ajansiirto (siirry livekuvaan).
13
Vähennä äänenvoimakkuutta.
14
Väripainikkeet – suorita vastaava toiminto.
15
Media- ja video on demand -käyttö.
16
Kytkee television päälle tai vaihtaa valmiustilaan.
Paina lyhyesti, kun television on kytketty päälle: Televisio ja kaikki CEC-yhteensopivat laitteet, jotka
on liitetty HDMI-portteihin, kytketään valmiustilaan (järjestelmän valmiustila).
17
Laiteavain. Tällä painikkeella voit ohjata muita laitteita Loewe-kauko-ohjaimella.
18
Valitse kanavia suoraan numeropainikkeilla.
19
Teksti-TV / MediaText päälle / pois.
20
Lyhyt painallus: Siirry järjestelmäasetuksiin.
Pitkä painallus: Yhdistää kaukosäätimen ja television toisiinsa Bluetoothin kautta.
21
Siirry kotivalikkoon.
22
Vaihe / taso taaksepäin valikossa. Vaihda televisiota katsellessa aiemmin katsottuun kanavaan.
23
Seuraava kanava.
24
Kun ei ole valaistu: Liiku valikossa ylös.
Paina televisiota katsellessa näyttääksesi lähetyksen tarkat tiedot.
Kun on valaistu: Avaa Tallenna-valikon.
25
Kun ei ole valaistu: Siirry oikealle valikossa tai keskeytä ajansiirtotoisto ja avaa ajansiirtosäätimet
Kun on valaistu: Hyppää eteenpäin
26
Edellinen kanava.
2
5
9
11
13
15
7
8
3
4
6
1
10
12
14
17
18
22
24
16
19
20
23
26
25
21
Kaukosäätimen painikkeiden sijoittelu
Huomio: Näppäinvaraus voi poiketa riippuen ohjelmisto- tai laiteversiosta.

Table of Contents

Related product manuals