EasyManua.ls Logo

Loewe bild c.32 - Χαρτογράφηση Κουμπιών Τηλεχειριστηρίου

Loewe bild c.32
Print Icon
To Next Page IconTo Next Page
To Next Page IconTo Next Page
To Previous Page IconTo Previous Page
To Previous Page IconTo Previous Page
Loading...
44
deutsch
ελληνικά
Loewe bild c | Εγχειρίδιο χρήστη
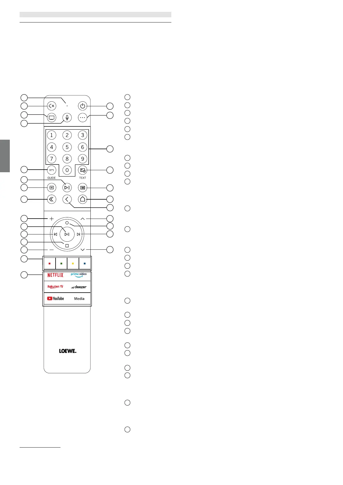
Χαρτογράφηση κουπιών τηλεχειριστηρίου
Ανάλογα ε την εφαρογή (τηλεόραση / βίντεο / ήχος / φωτογραφίες / εφαρογές) και τη λειτουργία (για παράδειγα , dr+, EPG, Teletext, HbbTV κ.τ.λ.), η εκ-
χώρηση κουπιών πορεί να διαφέρει από την εκχώρηση που περιγράφεται εδώ.
1
Μικρόφωνο
2
Σίγαση / αναίρεση σίγασης ήχου.
3
Κλήση της λειτουργίας τηλεόρασης.
4
Πατήστε και κρατήστε πατηένο για να απευθυνθείτε στον φωνητικό βοηθό.
5
Ενεργοποίηση / Απενεργοποίηση EPG (Ηλεκτρονικού οδηγού προγράατος).
6
Σύντοο πάτηα: Αναπαραγωγή / Παύση αναπαραγωγής έσου ή Έναρξη / Παύση / Συνέχιση
εταχρονολογηένης τηλεοπτικής ετάδοσης.
Παρατεταένο πάτηα: Εφάνιση προβαλλόενων κουπιών χειρισού έσων.
7
Κλήση του ενού Πηγές (Sources).
8
Έξοδος από προβαλλόενο(η) ενού / εφαρογή.
9
Αύξηση έντασης ήχου.
10
Όταν δεν φωτίζεται: Κλήση λίστας καναλιών.
Όταν φωτίζεται: Αναπαραγωγή / Παύση αναπαραγωγής έσου ή Έναρξη / Παύση / Συνέχιση
εταχρονολογηένης τηλεοπτικής ετάδοσης.
Στο ενού: Κουπί OK (Επιβεβαίωση επιλογής).
11
Όταν δεν φωτίζεται: Μετακίνηση προς τα αριστερά στο ενού ή Έναρξη / Παύση / Συνέχιση ετα-
χρονολογηένης τηλεοπτικής ετάδοσης.
Όταν φωτίζεται: Παράλειψη προς τα πίσω
12
Όταν δεν φωτίζεται: Μετακίνηση προς τα κάτω στο ενού ή άνοιγα του ενού Αναζήτηση
(Search).
Όταν φωτίζεται: ιακοπή / Λήξη εταχρονολογηένης ετάδοσης (επιστροφή σε ζωντανή εικόνα).
13
Μείωση έντασης ήχου.
14
Χρωατιστά κουπιά – Εκτέλεση αντίστοιχης λειτουργίας εκείνης της στιγής.
15
Πρόσβαση σε έσα και βίντεο κατ’ επιλογή.
16
Ενεργοποιεί την τηλεόραση ή εκτελεί ετάβαση σε κατάσταση αναονής.
Πατήστε σύντοα ενώ η τηλεόραση είναι ενεργοποιηένη: Η τηλεόραση και όλες οι συσκευές ε
ενεργοποιηένη λειτουργία CEC που έχουν συνδεθεί στις
θύρες HDMI απενεργοποιούνται σε κατάσταση αναονής (Αναονή συστήατος).
17
Κουπί Device Αυτό το κουπί επιτρέπει τον χειρισό άλλων συσκευών ε το τηλεχειριστήριο
Loewe.
18
Επιλογή καναλιών απευθείας ε τα αριθητικά κουπιά.
19
Ενεργοποίηση / Απενεργοποίηση Teletext / MediaText.
20
Σύντοο πάτηα: Κλήση ρυθίσεων συστήατος..
Παρατεταένο πάτηα: Συνδυάζει το τηλεχειριστήριο ε την τηλεόραση έσω Bluetooth.
21
Κλήση του αρχικού ενού (Home).
22
Μετάβαση σε προηγούενο βήα / επίπεδο στο ενού. Κατά την παρακολούθηση τηλεόρασης,
ετάβαση στο τελευταίο κανάλι που προβλήθηκε.
23
Επόενο κανάλι.
24
Όταν δεν φωτίζεται: Μετάβαση προς τα πάνω στο ενού.
Κατά την παρακολούθηση τηλεόρασης, πατήστε για κλήση λεπτοερών πληροφοριών σχετικά ε
την εκποπή.
Όταν φωτίζεται: Ανοίγει το ενού Εγγραφή (Record).
25
Όταν δεν φωτίζεται: Μετακίνηση προς τα δεξιά ή Παύση της εταχρονολογηένης
αναπαραγωγής και άνοιγα των χειρισών
εταχρονολογηένης εκποπής.
Όταν φωτίζεται: Παράλειψη προς τα επρός
26
Προηγούενο κανάλι.
2
5
9
11
13
15
7
8
3
4
6
1
10
12
14
17
18
22
24
16
19
20
23
26
25
21
Χαρτογράφηση κουπιών τηλεχειριστηρίου
Σηείωση: Η εκχώρηση κουπιών πορεί να διαφέρει ανάλογα ε την έκδοση λογισικού ή συσκευής.

Table of Contents

Related product manuals