EasyManua.ls Logo

Loewe bild c.32 - Схема Пульта ДУ

Loewe bild c.32
Print Icon
To Next Page IconTo Next Page
To Next Page IconTo Next Page
To Previous Page IconTo Previous Page
To Previous Page IconTo Previous Page
Loading...
5
русский
Loewe bild c | Руководство пользователя
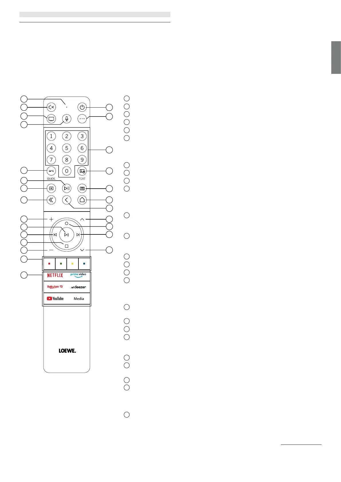
Схема пульта ДУ
В зависимости от режима использования (телевизор/видео/аудио/фото/приложения) и функции (например, dr+, электронная программа
телепередач, телетекст, HbbTV и пр.) назначение кнопок может отличаться от приведенной ниже схемы.
1
Микрофон
2
Включение/выключение звука.
3
Вызов режима телевизора.
4
Нажмите и удерживайте для активации голосового ассистента.
5
Включение/выключение электронной программы телепередач.
6
Короткое нажатие: воспроизведение/пауза или запуск/пауза/продолжение просмотра
передачи в режиме смещения по времени.
Долгое нажатие: отображение подсвеченных кнопок управления мультимедийными устрой-
ствами.
7
Вызов меню источников.
8
Выход из текущего меню/приложения.
9
Повышение уровня громкости.
10
Без подсветки: вызов списка каналов.
С подсветкой: воспроизведение/пауза или запуск/пауза/продолжение просмотра передачи
в режиме смещения по времени.
В меню: Кнопка OK (подтверждение выбора).
11
Без подсветки: перемещение влево по меню или запуск/пауза/продолжение просмотра
передачи в режиме смещения по времени.
С подсветкой: переход назад
12
Без подсветки: перемещение вниз по меню или запуск меню поиска.
С подсветкой: остановка/завершение режима смещения по времени (возврат к прямому
эфиру).
13
Снижение уровня громкости.
14
Цветные кнопки — выполнение заданных функций.
15
Доступ к медиаматериалам и видео по запросу.
16
Включение телевизора или переход в режим ожидания.
Короткое нажатие, когда телевизор включен: телевизор и все устройства с поддержкой
CEC, подключенные к разъемам HDMI, переходят в режим ожидания (системный режим
ожидания).
17
Кнопка «Устройство». Эта кнопка позволяет использовать пульт управления Loewe для
управления другими устройствами.
18
Выбор каналов при помощи кнопок с цифрами.
19
Включение выключение телетекста/медиатекста.
20
Короткое нажатие: вызов настроек системы.
Долгое нажатие: Сопряжение пульта дистанционного управления с телевизором через
Bluetooth.
21
Вызов главного меню.
22
Переход по меню на один шаг/уровень. Переключение на предыдущий канал в процессе
просмотра телевизора.
23
Следующий канал.
24
Без подсветки: перемещение вверх по меню.
В процессе просмотра телевизора нажмите кнопку для вывода подробной информации о
станции телевещания.
С подсветкой: запуск меню записи.
25
Без подсветки: переход вправо по меню или остановка воспроизведения со смещением
по времени и вызов элементов управления режимом воспроизведения со смещением по
времени.
С подсветкой: переход вперед
2
5
9
11
13
15
7
8
3
4
6
1
10
12
14
17
18
22
24
16
19
20
23
26
25
21
Схема пульта ДУ
Примечание. Назначение кнопок может отличаться в зависимости от программного обеспечения или версии устройства.

Table of Contents

Related product manuals