EasyManua.ls Logo

Loewe Connect 48 - Connecting Speaker Systems (AUDIO OUT); Connecting Speaker Systems (DIGITAL AUDIO LINK)

Loewe Connect 48
152 pages
Print Icon
To Next Page IconTo Next Page
To Next Page IconTo Next Page
To Previous Page IconTo Previous Page
To Previous Page IconTo Previous Page
Loading...
Connect 32 DR+ - Connect 55
User manual
121
External devices
Connecting the speaker system (DAL)
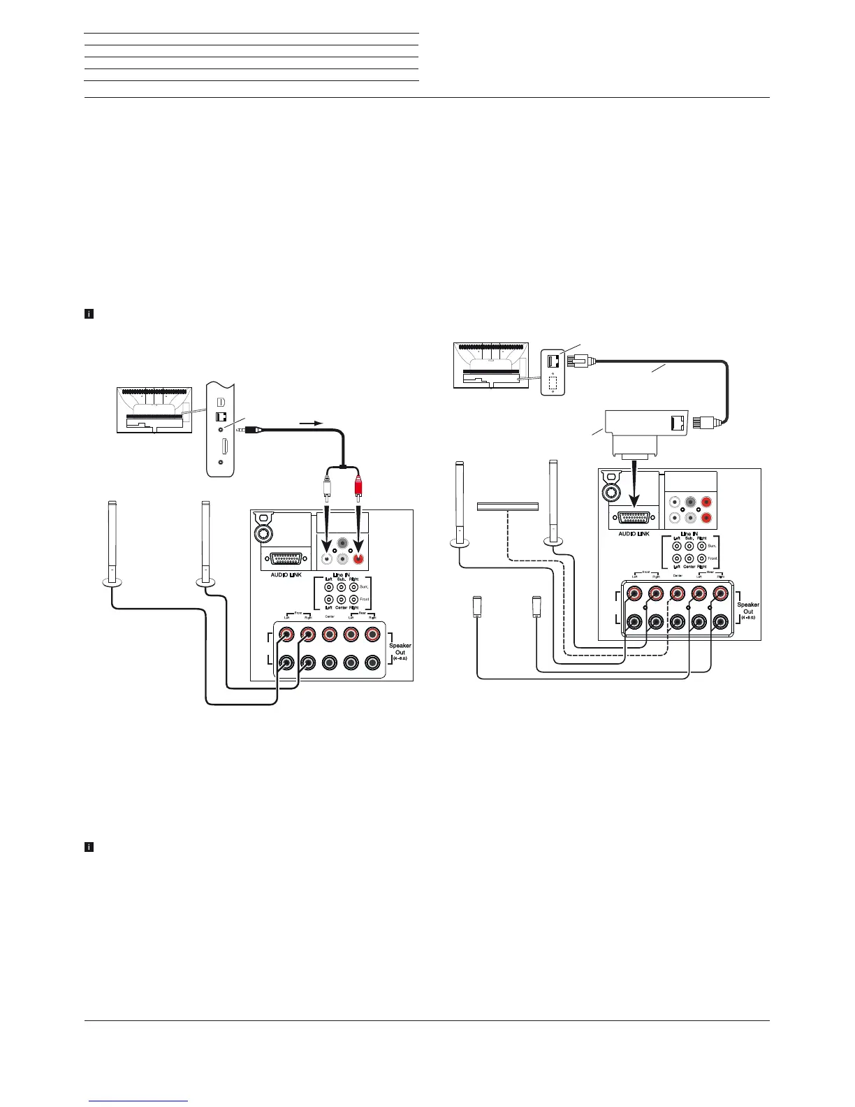
You can easily connect a Loewe speaker system using the DIGITAL
AUDIO LINK interface (DAL) of your TV set.
Switch off all devices before connecting the speaker system.
The subwoofer is connected to the TV set via the DIGITAL AUDIO
LINK interface. Plug a network cable (Category 5e or higher) to the
DIGITAL AUDIO LINK port of the TV set.
Connect the Ethernet cable to the RJ45 socket of the Digital
Audiolink / Audiolink converter available as accessory. Connect
the converter to the AUDIO LINK socket of the Subwoofer.
Further information on the wiring of the speakers you find in the
instruction manual of the subwoofer or the speakers.
Configuration of the speaker system (DAL)
When configuring the sound system in the Sound Component Wizard,
you can eg enter the distances of each speaker corresponding to your
listening position or adjust the level of each speaker individually.
This guarantees a natural spatial image of the sound (see chapter
System settings, section Connections – Sound components).
DIGITAL AUDIO LINK
TV set
Subwoofer
Converter
Digital Audiolink / Audiolink
Ethernet cable
(Cat. 5e or higher)
Front
left
Front
right
Surround
left
Surround
right
Center
Example of connecting a speaker system to your TV set
Connecting the speaker system (AUDIO OUT)
You can easily connect a speaker system using the AUDIO OUT
interface of your TV set.
Switch off all devices before connecting the speaker system.
The subwoofer is connected to the TV set via the AUDIO OUT
interface.
Connect the analogue audio output AUDIO OUT of the TV set with a
stereo cinch/jack adapter cable to the Line IN audio inputs left/right
of the subwoofer.
Further information on the wiring of the speakers you find in the
instruction manual of the subwoofer or the speakers.
Only turn in the power switch of the subwoofer after having selected
the menu item Speaker system (AUDIO OUT) in the Sound
Component Wizard. Otherwise, the sound system will operate with
maximum volume.
Configuration of the speaker system (AUDIO OUT)
When configuring the sound system in the sound components wizard
enter if you want to use e.g. external front speakers or how the TV
speaker is used (see chapter System settings, section Connections
– Sound components).
Only turn in the power switch of the subwoofer after having selected
the menu item Speaker system (AUDIO OUT) in the Sound
Component Wizard. Otherwise, the sound system will operate with
maximum volume.
AUDIO OUT
TV set
Subwoofer
Line IN
left
Line IN
right
Front
left
Front
right
Example of connecting a speaker system to your TV set

Table of Contents

Other manuals for Loewe Connect 48

Related product manuals