EasyManua.ls Logo

Loewe PLA 5303 PL - Page 22

Loewe PLA 5303 PL
71 pages
Print Icon
To Next Page IconTo Next Page
To Next Page IconTo Next Page
To Previous Page IconTo Previous Page
To Previous Page IconTo Previous Page
Loading...
2 - 2
ABCDEFGHI J
1
2
3
4
5
6
7
ABCDEFGHI J
1
2
3
4
5
6
7
Date:
IndexCode/Part-N°.
LOEWE.Naming:
1
2
3
4
5
6
7
8
9
10
11
12
13
14 15
16
17
18
19
20
21
22
23
24
25
26
27
28
1
2
3
45
6
7
8
4
5
-
+
6
7
8
1
2
3
-
+
1
2
1
2
1
2
1
2
1
2
1
2
1
2
1
2
1
2
1
2
1
2
1
2
1
2
1
2
1
2
1
2
1
2
1
2
1
2
1
2
1
2
1
2
1
2
1
2
1
2
1
2
1
2
1
2
1
2
1
2
1
2
Z001 Z004
Z017
Z030
Z027
Z024
Z021Z020
Z016
Z014Z013
Z011Z010
Z005
Z002 Z003
Z006
Z012
Z015
Z018
Z019 Z022
Z023
Z025 Z026
Z028 Z031
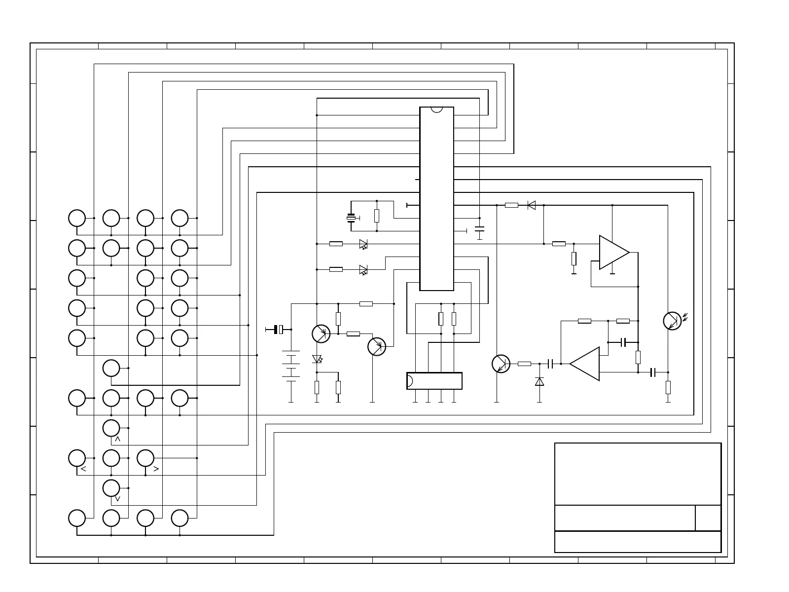
LED
23
456
789
0
OK
Z029
Z008Z007
1
Z009
LED
D117
R118
D118
R117
C101
16.09.99
SFH4515
D121
freece menu exit
mode audio video power
cable
vcr
input ch edit
favorite
mute
info
red green yellow blue
PIC16LC62A-04
24LC16B
EE-VCC
WP
CLK
DAT
R111
1M
10k
LM358
LM358
10k
10k
470k
4k7
10k
10k
LL4148
10n
10n
10n
470k
47k
R176
C176
R173
R177
R174
C178
R178R179
C181
D181
R181
R182
10k
R151R152
100n
X111
4MHz
1k
1k
4,5V
3x1.5V
D176
D182
Q181
R121 R120
Q126
R123
R126
R127
Q121
BCX17
10k
56R
1k
5R65R6
SFH309FA-4
K
BC847B
BC857B
220µ
C121
1PS76SB21
IR remote control
I101
I151
I171
I171A
396-87628 c

Related product manuals