EasyManua.ls Logo

Loewe PLA 5303 PL - VGA IR Adapter

Loewe PLA 5303 PL
71 pages
Print Icon
To Next Page IconTo Next Page
To Next Page IconTo Next Page
To Previous Page IconTo Previous Page
To Previous Page IconTo Previous Page
Loading...
2 - 18
ABCDEFG
1
2
3
4
5
6
7
ABCDEFG
HI
HI
1
2
3
4
5
6
7
U5
Date:
IndexCode/Part-N°.
LOEWE.Naming:
U5
U5A
U5A
U5A
U5A
7
14
2
1
3
5
4
6
8
9
10
11
13
12
7
14
1
2
34
5
6
8
10
9
11
12
13
1
2
3
4
5
6
78
9
10
11
12
13
14
12345
678910
11 12 13 14 15
1
2
3
4
5
6
7
8
9
10
11
12
1
2
3
U5
U5
74HCT86
74HCT86
74HCT86
74HCT86
100n
100n
100n
100R
10p
100n
10µ
74HCT86
100n
05.07.2000
C814
L816
C816
C817
R817
C818
R819
R821
R823
C829
C828
C827
C826
R836 R837
R838
R829
74HCT00
74HCT00
74HCT00
4k7
10p
C821
100n
1k
Q881
R882
R883
R884
R886
R894
X893
C896
RC5
C885
429kHz
1k
R881
L885
74HCT00
C811
100n
L826
C822
100R
R814
0R
R813
33R
4k7
100p
2k2
22n
100R
100p
BC807
R893
4k7
100p
C893
100p
C894
100R
100R
47k
R827
R828
100R
1k
R818
74HCT00
100n
C891
22k
10p
C813
L836
L837
L838
C832
C833
C834 C836
C837 C838
150R 150R
150R47p
47p
47p 47p
47p 47p
W801
I811
I811B
W831
W881
74LS92
W886
I891A
I891B
I896
IR
I811C
I811D
I811A
I891C
I891D
RGB
ws
I891
bl
N803
W803
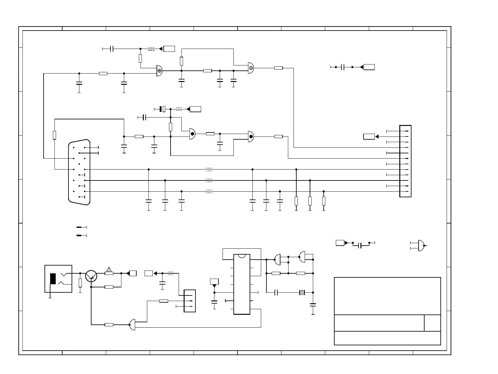
VGA-/IR-Adapter
390-87717.060 c
A2400

Related product manuals